Attention ! Fermeture imminente du forum d’Elektor (pour en savoir plus, cliquer ici). À partir du vendredi 1er mars il ne sera plus possible de s’identifier sur ce forum, mais son contenu restera disponible en lecture seule jusqu’à la fin du mois. Le 1er avril, il sera fermé définitivement.

Restauration d’un ampli 845 SE.

Les deux livres de Francis Ibre : <a href="http://www.elektor.fr/nos" target=_blank><U>Tubes audio anciens & récents</U> (2007)</a> et <a href="http://www.elektor.fr/audiotubes" target=_blank><U>Audio tubes </U> (2010)</a>

Restauration d’un ampli 845 SE.

Postby Pierrick » Thu Dec 27, 2018 3:45 pm

Le contexte :
En 2012 (erreur d'année sur ce premier message c'était en 2002) :D j’ai acheté un ampli tout monté s’appuyant sur le schéma led 161/162 de mémoire.
Rapidement les ecl86 ont été remplacées par des ecc82.
Cet ampli me donnait entière satisfaction mais malheureusement j’ai grillé le transformateur d’alimentation en testant des condensateurs Nos. 1 était en court-circuit.
De plus un des condensateur de 2200µF /500V était lui aussi défectueux.
En fin de l’année 2017, j’ai acheté un nouveau transformateur et 10 condensateurs 500µf/500V.
L'ancien boitier bois
IMG_1591.JPG

Ensuite Le besoin et ou les exigences.
Conserver le maximum des composants mais remplacer les ecc82 par des 6 Sn7 comme sur le schéma d’origine.
Ne pas réaliser la HT de 450 dans le boitier d’ampli ( Résistance pour de 950V redescendre à 450V) mais dans le boitier d’alimentation (point milieu des 2 condensateur de 500µF/500V.
Les boitiers étaient en bois, et les calories avaient brulé celui de l’ampli. Donc remplacement des 2 boitiers bois par des boitier alu ou métal.
Augmenter la taille du radiateur supportant les 2 résistances de la polarisation fixe.
Conserver les joues bois sur le boitier ampli.
Prévoir une tempo automatique à l’allumage.
Ne pas construire une usine à gaz, je connais u=RI, je ne suis pas calculer les valeurs des composants des circuit, et encore moins optimiser un schéma en changeant des valeurs de composants. ==> votre aide sera précieuse.
le schéma
845-6sn7-alim1.png


Première étape , l’alimentation.
Je choisi un boitier Hifi 2000 4U.
Les 3 transformateurs :
T1 : 0-330 0-330 HT 845 et 6Sn7 + 6.3V chauffage filaments 6SN7.
T2 : 0-12V et 0-12v (5A) chauffage filaments 845
T3 : 12V pour les modules ne555 et la led de face avant.
Le premier objectif est de remonter les modules dans le nouveau boitier, brancher ce nouveau boitier sur l’ancien boitier Ampli en bois, valider en contrôler les tensions + un test musical.
Pour cela j’ai conservé provisoirement la polarisation automatique dans le nouveau boitier d’alimentation.
IMG_1701.JPG


J’ai réalisé un cordons de liaison entre les 2 boitiers. Un première erreur j’avais un seul connecteur (31 broches) mais abandonné au profit de 2 connecteurs (24 et 16 broches) un pour la HT 950V et la HT 450V + masse châssis + point froid des condensateurs de 500µF/500V, un deuxième pour le 2 X 10V des 845 et le 6,3V des 6SN7.
J’ai aussi ajouté les 2 petits modules à base de ne555 pour activé le 330 V au bout de 10 secondes pour le premier secondaire et une quarantaine pour le deuxième secondaire.

Deuxième étape le boitier d’ampli
Je me débrouille avec une lime et une perceuse, mais j’ai une main gauche et demi et je suis maladroit, pas question de réaliser le boitier moi-même, donc je sélectionne un boitier Hammond.
Je prends le plus grand de la série 1444 avec des joues en bois, deuxième erreur car ce boitier n’est pas assez profond pour accueillir les transfo de sortie (11 cm X13cm ), la self et les tubes.
Je commande finalement un Hammond 1444-17135 et j’e lui ajoute des joues en bois.
Pour pallier à la faible épaisseur du boitier Hammond, j’ajoute une plaque d’aluminium (2,5mm) sur le dessus, le devant et l'arrière, ces plaques proviennent de chez Schaeffer, il les ont anodisées en noire, sérigraphiées et percées.
J’ai trouvé l’anodisation fragile (je l'ai rayé en travaillant), j’ai donc poncé et repeint ces 3 plaques en noire et terminé par plusieurs couches de vernis automobile, Que la mécanique est longue.
Last edited by Pierrick on Mon Jan 07, 2019 7:21 am, edited 1 time in total.
Pierrick
 
Posts: 28
Joined: Thu Dec 27, 2018 1:16 pm

Re: Restauration d’un ampli 845 SE.

Postby Pierrick » Fri Dec 28, 2018 8:25 am

Percements du boitier pour le passage des câbles, des prises des transfos.
IMG_2277.JPG


première couche de peinture noire.
IMG_2303.JPG


premier positionnement des composants et test visuel.
IMG_2350.JPG


J'étais déçu, le noir de la peinture du châssis et le noir de l'anodisation de la plaque supérieure sont différents .
De plus j'ai trouvé que tout en noir c'est un triste, j'ai donc repeint le châssis d'une autre couleur.
Pierrick
 
Posts: 28
Joined: Thu Dec 27, 2018 1:16 pm

Re: Restauration d’un ampli 845 SE.

Postby Pierrick » Fri Dec 28, 2018 8:30 am

IMG_2487.JPG


Les 2 joues en bois
IMG_2517.JPG


j'ai aussi goudronné l'intérieur du châssis.
IMG_2486.JPG
Pierrick
 
Posts: 28
Joined: Thu Dec 27, 2018 1:16 pm

Re: Restauration d’un ampli 845 SE.

Postby jef » Fri Dec 28, 2018 9:16 am

Bonjour

Pour partir sur les schémas Led évoqués dans ton premier message, voici le lien vers l'ensemble des numéros
http://www.micro-examples.com/articles/index.php/LED-magazine

J'ai regardé le sujet sur la 845 en SE qui s'étale sur les numéros 161, 162 et également 163
Je n'y ai pas vu de schéma d'origine équipé de 6SN7

Bien à vous
Jef
jef
 
Posts: 844
Joined: Mon Jan 20, 2014 7:57 am

Re: Restauration d’un ampli 845 SE.

Postby ecossais » Fri Dec 28, 2018 10:46 am

Bonjour Pierrick, bonjour Jef,

c'est un beau projet mais tu devrais profiter de cette restauration pour mener une reflexion sur le schema et les choix techniques.

Quelques remarques:

- Utiliser un transfo prévu pour redressement bi-alternance en empilant les enroulements me parait risqué car l'isolation du transfo a été prevue pour 310v et non pas 620v. cela risque d' entrainer des problèmes de fiabilité a long terme.
Mieux vaudrait profiter de la restauration pour faire bobiner un transfo adapté, par exemple avec enroulement HT de 0v/310v/620v en précisant que tu souhaites un isolement 4000v (standard pour les transfos HT).

-Le driver est une copie fidèle de celui de l'ampli Sun Audio 2A3SE. Il est très performant sur l'ampli d'origine mais pas réellement optimal pour une 845 qui demande a être attaquée en puissance. tu pourrais avantageusement remplacer la 2e 6SN7 par une KT66 montėe en triode ou mieux une EL3N aussi en triode. De meme la resistance de grille de la 845 est trop élevée a 270k. mieux vaudrait la descendre a 100K environ.

- la restauration te permettrai aussi d'optimiser les condensateurs d'alimentation. 50uF chimique de bonne qualité en tete et 100 a 300 uF Polypropylene pour la 845 decouplé si possible par un papier huilé de valeur environ 10% de celle du Polypropylene.

Bonne restauration
Jean-Noel
Last edited by ecossais on Fri Dec 28, 2018 1:55 pm, edited 3 times in total.
My audio life is to make emotional shadows from sounds (Susumu Sakuma)
La Platine (Verdier), pré phono Pacific, amplis monotriodes PX25 et 2A3 RCA monoplaque, Petite Onken
User avatar
ecossais
 
Posts: 1192
Joined: Mon Jan 20, 2014 7:58 am
Location: Bonnie Scotland

Re: Restauration d’un ampli 845 SE.

Postby Pierrick » Fri Dec 28, 2018 10:47 am

Bonjour Jeff et merci pour ce lien que je connaissais pas, je l'ajoute à mes favoris.
dans mon premier message j'indique que les ecl86 ont été remplacé par des ecc82, et ensuite dans le CdC je remplaçais les ecc82 par des 6SN7.
Pierrick
Pierrick
 
Posts: 28
Joined: Thu Dec 27, 2018 1:16 pm

Re: Restauration d’un ampli 845 SE.

Postby Pierrick » Fri Dec 28, 2018 4:17 pm

Bonjour Jean-Noël.

ecossais wrote:Bonjour Pierrick, bonjour Jef,

c'est un beau projet mais tu devrais profiter de cette restauration pour mener une reflexion sur le schema et les choix techniques.l

Je ne suis plus à la phase de réflexion du projet mais pratiquement à la fin de la restauration, les 2 boitiers sont pratiquement terminés, il me reste à fixer le bouton de volume sur la face avant.

ecossais wrote:Quelques remarques:

- Utiliser un transfo prévu pour redressement bi-alternance en empilant les enroulements me parait risqué car l'isolation du transfo a été prevue pour 310v et non pas 620v. cela risque d' entrainer des problèmes de fiabilité a long terme.
Mieux vaudrait profiter de la restauration pour faire bobiner un transfo adapté, par exemple avec enroulement HT de 0v/310v/620v en précisant que tu souhaites un isolement 4000v (standard pour les transfos HT).


En novembre 2017, j'ai demandé à M Doria de me réaliser un transformateur pour un ampli 845 SE, il m'avait parlé d'isolement, mais je ne me souviens plus de quelle valeur il m'avait proposée.

ecossais wrote:-Le driver est une copie fidèle de celui de l'ampli Sun Audio 2A3SE. Il est très performant sur l'ampli d'origine mais pas réellement optimal pour une 845 qui demande a être attaquée en puissance. tu pourrais avantageusement remplacer la 2e 6SN7 par une KT66 montėe en triode ou mieux une EL3N aussi en triode. De meme la resistance de grille de la 845 est trop élevée a 270k. mieux vaudrait la descendre a 100K environ).


Je m'en souviens maintenant j'avais trouvé sur le net le schéma du Sun Audio pour le 2A3. Sinon ce schéma m'a satisfait pendant une demi-douzaine d'année, Le Music Angel (optimisé) qui l'a remplacé me laissait un peu sur ma faim, surtout au niveau de l'ouverture, la musique etait toujours entre les enceintes. Donc je ne voyait pas pourquoi modifier le schèma (troisième erreur ?), mais surtout parce que je n'ai pas les compétences pour en pondre un autre schéma :oops: .
En revanche je peux tester assez facilement la modification de la résistance de grille en ajoutant en parallèle une résistance de 120K/150K.

ecossais wrote:- la restauration te permettrai aussi d'optimiser les condensateurs d'alimentation. 50uF chimique de bonne qualité en tete et 100 a 300 uF Polypropylene pour la 845 decouplé si possible par un papier huilé de valeur environ 10% de celle du Polypropylene.
Bonne restauration
Jean-Noel

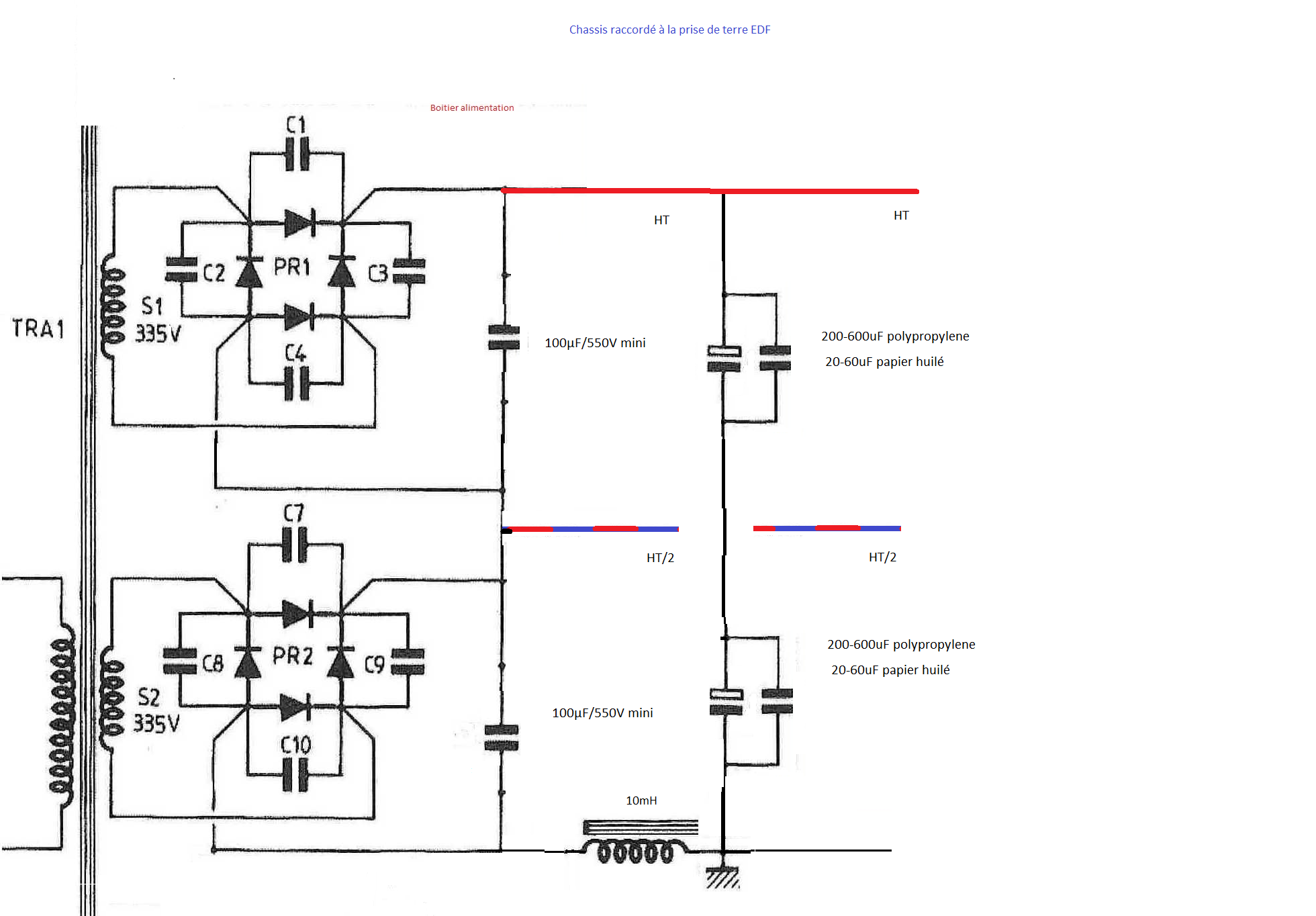
Là je suis preneur, mais j'ai des questions? j'ai conservé le principe du schéma Led avec ses 2 réservoir de 2200µF mais remplacé par 10 condensateurs de 500µF car j'avais essayé ( il y a plus de 12 ans) de les remplacer par des valeurs faibles, mais l'ampli s'écroulait et n'avait pas de profondeur, ...., donc moins bien à l'écoute. Mais je n'avais rien calculé j'avais surement pas non plus les bon condensateurs :oops: .
J'ai essayé de reprendre le schéma de l'alimentation avec tes remarques, Est-ce correct?
Exemple_Alim.png

j'ai cherché sur le net en polypropylene https://www.mouser.fr/ProductDetail/WIMA/DCP5H16260D200KS00?qs=sGAEpiMZZMv1cc3ydrPrF9nHCHjr4K24l1zT3oKomHY%3d
en chimique https://www.hificollective.co.uk/catalog/100uf-450v-f-and-t-type-si.html
je n'ai pas trouvé en papier huilé de 10% de la valeur du polypro sauf celui-ci de 50µF mais super lourd https://www.hificollective.co.uk/components/ge-capacitors.html

Salutation
Pierrick
Pierrick
 
Posts: 28
Joined: Thu Dec 27, 2018 1:16 pm

Re: Restauration d’un ampli 845 SE.

Postby tboll » Fri Dec 28, 2018 4:41 pm

Bonjour à tous,

C'est un beau projet et c'est vrai qu'il est possible d'améliorer cet amplificateur, tant au niveau de certains composants qu'au niveau du schéma.

Merci Jef pour le lien, j'avais à l'époque juste téléchargé les cours de Bassi et je l'avais ensuite "perdu".
J'en ai profité cette fois pour jeter un œil sur le contenu de cette ex-revue. Là, bonne surprise, au moins pour moi, on trouve par exemple des articles d'Hiraga et de quelques anciens de la revue de l'Audiophile : Delaleu, Chrétien, etc. Par conséquent, il y a quelques bons articles.

Bonne journée.

Thierry
VOT-HP 416-8B GPA Altec Lansing Alnico - Pavillon Iwata-compression ALTEC 909-8A - Tweeter Fostex T925 - CD Marantz 6002 - préamplificateur 76/6SN7 (Sound Practices)-2 blocs 300B- schéma-Audiophile -
SE 845 en projet
User avatar
tboll
 
Posts: 1887
Joined: Mon Jan 20, 2014 7:55 am
Location: Chartreuse

Re: Restauration d’un ampli 845 SE.

Postby jef » Fri Dec 28, 2018 5:13 pm

Pierrick wrote:Bonjour Jean-Noël.

ecossais wrote:Bonjour Pierrick, bonjour Jef,

c'est un beau projet mais tu devrais profiter de cette restauration pour mener une reflexion sur le schema et les choix techniques.l

Je ne suis plus à la phase de réflexion du projet mais pratiquement à la fin de la restauration, les 2 boitiers sont pratiquement terminés, il me reste à fixer le bouton de volume sur la face avant.

Salutation
Pierrick


Du coup suivant le déroulement expliqué plus haut, tu as validé en contrôler les tensions + un test musical.
Quel résultat as-tu en comparaison de la version "bois" avec ECC82 ?

Tu as grillé un transfo suite à un condo défaillant, peut-être aurais-tu avantage à porter un regard attentif sur les protections de ton ampli et les emplacements appropriés pour installer celles-ci.... fusibles, disjoncteur thermique... etc etc
Des sujets en parlent sur ce forum

Bien à toi
Jef
jef
 
Posts: 844
Joined: Mon Jan 20, 2014 7:57 am

Re: Restauration d’un ampli 845 SE.

Postby Pierrick » Fri Dec 28, 2018 6:46 pm

jef wrote:
Tu as grillé un transfo suite à un condo défaillant,
Jef

Oui, mais ce condo ne venait pas de l'ampli. J'avais acheté dès condensateurs NOS je les ai installés dans l'ampli, un était en court-circuit sur la HT, le fusible a grillé, le disjoncteur c'est déclenché mais le transfo était grillé.

Salutation
Pierrick
Pierrick
 
Posts: 28
Joined: Thu Dec 27, 2018 1:16 pm

Next

Return to Tubes audio

Who is online

Users browsing this forum: google [bot] and 3 guests