Attention ! Fermeture imminente du forum d’Elektor (pour en savoir plus, cliquer ici). À partir du vendredi 1er mars il ne sera plus possible de s’identifier sur ce forum, mais son contenu restera disponible en lecture seule jusqu’à la fin du mois. Le 1er avril, il sera fermé définitivement.

pb de déséquilibre en fréquence sur ampli de puissance tube

Re: pb de déséquilibre en fréquence sur ampli de puissance t

Postby iriaax » Fri Nov 30, 2018 8:34 am

Hello !
En absence de CR le facteur d'amortissement est faible, et la courbe de réponse chahutée par l'impédance de l'enceinte, qui en chutant par exemple dans les aigus entraîne une chute de volume.
De même, les résonances internes des enceintes dans les graves sont mal amorties et deviennent visibles sur la courbe de réponse.
Arnaud
User avatar
iriaax
 
Posts: 26
Joined: Sat Oct 13, 2018 12:16 pm

Re: pb de déséquilibre en fréquence sur ampli de puissance t

Postby skeb » Fri Nov 30, 2018 12:43 pm

Bonjour,
merci pour vos retours?

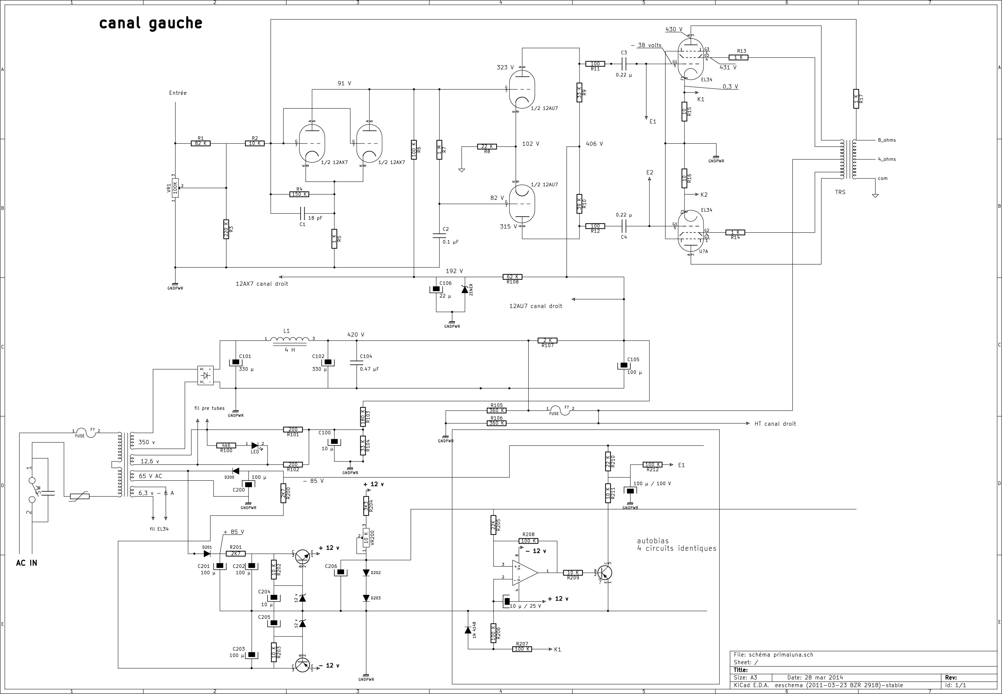
Ok donc la CR n'est pas sur le schéma c'est qu'elle n'est pas prévue. Peut-on imaginer des pertes allant jusqu'à 12 db sur certaines fréquences par l'absence de contre réaction?
Peut-on imaginer qu'un fabricant décide de s'en passer sur un push pull?
J'ai déjà écouté d'autre amplis Prima Luna sans entendre ce déséquilibre.

Je met ici une photo du net du même ampli, le schéma me semble identique avec rien d'autres que les connectiques HP reliées en sortie de transfo:
https://www.google.com/imgres?imgurl=http%3A%2F%2Fwww.6moons.com%2Faudioreviews%2Fprimaluna%2Famp_open.jpg&imgrefurl=http%3A%2F%2Fwww.6moons.com%2Faudioreviews%2Fprimaluna%2Fprimaluna_2.html&docid=P-v7fghGJqPrcM&tbnid=JWE8ij0sXfh4PM%3A&vet=10ahUKEwipzprmh_zeAhVEXhoKHZNpDUAQMwhAKAUwBQ..i&w=698&h=530&client=firefox-b-ab&bih=903&biw=1920&q=prima%20luna%20prologue%205&ved=0ahUKEwipzprmh_zeAhVEXhoKHZNpDUAQMwhAKAUwBQ&iact=mrc&uact=8

et ici un schéma du modèle intégré qui a été réalisé par un membre du forum me semble t'il
http://forum.elektor.com/download/file.php?id=2701088&mode=view
J'y vois juste une résistance qui relie la sortie à l'entrée des tubes et elle n'apparait pas sur le schéma du prologue 5.

Les enceintes utilisées sont des Tannoy mini autograph, facile à alimenter et qui fonctionne très bien avec tout ampli à tube ou transistor habituellement. Mais du coups je vais tout de même essayer sur mes Large Bande et aussi des colonnes 94db à gros HP.

Je vous tiens informé du résultat. S'il est décevant puis je mettre en place facilement une contre réaction?
skeb
 
Posts: 25
Joined: Mon Jan 20, 2014 7:58 am

Re: pb de déséquilibre en fréquence sur ampli de puissance t

Postby iriaax » Fri Nov 30, 2018 1:04 pm

Hello !
La ligne retour avec sa résistance est bien celle de la contre-réaction.
Arnaud
User avatar
iriaax
 
Posts: 26
Joined: Sat Oct 13, 2018 12:16 pm

Re: pb de déséquilibre en fréquence sur ampli de puissance t

Postby skeb » Fri Nov 30, 2018 1:18 pm

C'est tout une juste résistance de 1000 Ohm sur chaque canal? Rien d'autre?
En entrée elle est relié avec la pin 7 des 12AX7 c'est bien cela?
En sortie sur le schéma on dirait qu'elle est connecté uniquement sur la sortie 8hm, normal?
skeb
 
Posts: 25
Joined: Mon Jan 20, 2014 7:58 am

Re: pb de déséquilibre en fréquence sur ampli de puissance t

Postby yves07 » Fri Nov 30, 2018 2:29 pm

Oui, c'est tout !
En réalité, une partie du signal de sortie est réinjecté à l'entrée de l'ampli.
Mais j'ai un énorme doute sur la valeur de 1K, mon pifomètre me suggère 100K.
Le diviseur de tension en parallèle sur le potentiomètre est étrange . . .

Yves.
yves07
 
Posts: 988
Joined: Mon Jan 20, 2014 7:54 am
Location: Ardèche

Re: pb de déséquilibre en fréquence sur ampli de puissance t

Postby iriaax » Fri Nov 30, 2018 2:35 pm

Yves a raison, il y a un point de jonction en trop après R2
Arnaud
User avatar
iriaax
 
Posts: 26
Joined: Sat Oct 13, 2018 12:16 pm

Re: pb de déséquilibre en fréquence sur ampli de puissance t

Postby yves07 » Fri Nov 30, 2018 2:41 pm

Ah oui, mais c'est bien sûr :
La liaison R17 vers R4 NE DOIT PAS ètre connectée à la grille de la 12AX7.
Pardon . . .

Yves.
yves07
 
Posts: 988
Joined: Mon Jan 20, 2014 7:54 am
Location: Ardèche

Re: pb de déséquilibre en fréquence sur ampli de puissance t

Postby skeb » Tue Dec 04, 2018 6:22 pm

Bonjour,
le schéma de l'intégré qui vient d'un autre post ne semble pas officiel et il bien est possible qu'il y ait des erreurs.

Je peux vous transmettre par email le schéma du mien, il n'y a pas cette liaison, ni R4 ni R17 ni C1.

R5 (R4 sur mon schéma) est directement connecté aux 2 cathodes des 12AX7

Sinon j'ai essayé l'ampli ce week end sur les colonnes du salon avec boomer de 30CM et là pas de soucis à l'écoute. Pas fait de mesures mais ça sonne très bien et pas de déséquilibre.
J'ai rappatrié les Tannoy dans le salon pour les rebrancher sur l'ampli de puissance Prima Luna, catastrophe une écoute digne d'un mauvais transistor alors je les branche sur l'ampli transistor du salon et là tout va bien.

Je suis soulagé que l'ampli n'est pas défaillant mais apparement il y a une incompatibilité avec ces petites enceintes sur cet ampli sans contre réaction. Je n'avais jamais eu de soucis Air Tight, Octave ou Jolida. Je suppose que ces derniers utilisent la CR dans leur schéma.

Vu que l'ampli fonctionne bien sur d'autres enceintes, je vais simplement le changer de système. Pensez vous qu'il reste un interet à ajouter la résistance de CR?

Sinon, j'ai eu une discution avec une personne rencontrée samedi qui ne préconise pas la contre réaction mais qui propose de découpler par des condensateurs de différentes technos, la résistance en amont des cathodes des triodes pour augmenter la bande passante et le niveau dans le grave.
Vous en pensez quoi?
skeb
 
Posts: 25
Joined: Mon Jan 20, 2014 7:58 am

Re: pb de déséquilibre en fréquence sur ampli de puissance t

Postby iriaax » Thu Dec 06, 2018 1:45 pm

Bonjour !
Découpler la cathode commune du tube d'entrée par une grosse capa chimique fera gagner 6dB de gain, sans plus pour les graves, sinon moins.
Découpler la cathode du second tube (déphaseur) est interdit car le déphasage ne fonctionnera plus.

Tout cela n'est que cautère sur une jambe de bois.
Arnaud
User avatar
iriaax
 
Posts: 26
Joined: Sat Oct 13, 2018 12:16 pm

Re: pb de déséquilibre en fréquence sur ampli de puissance t

Postby francis ibre » Fri Dec 07, 2018 9:47 am

Bonjour à tous,

pour appliquer une CR à un ampli de ce type, il faudrait qu'il y ait un surcroît de gain disponible !

Sans cela, voilà ce qui risque de se passer :
- partons sur 6 dB de taux de CR...
- le gain global a donc diminué de 6 dB, forcément
- et le signal d'entrée nécessaire pour obtenir la Pmax a donc lui aussi augmenté... de 6 dB
- il faut donc une tension DOUBLE en entrée de l'ampli (sa sensibilité a été divisée par deux...)

Question : la polarisation du tube d'entrée permet-elle d'appliquer une tension double sur sa grille ? sûrement pas...

Conséquence :
- il faut d'abord découpler la cathode du premier étage, afin de créer les 6 dB de gain supplémentaire, indispensables
- puis appliquer une CR de 6 dB
- le gain global de l'ampli est ainsi inchangé
- mais sa bande passante est élargie
- et ses non-linéarités sont divisées par 4 en gros

Bien sûr si on pouvait appliquer 12 dB de CR ce serait encore mieux, mais pour cela il va falloir reconcevoir l'engin, et modifier les points de fonctionnement au moins au premier étage...

Francis
La véritable musique est le silence et toutes les notes ne font qu'encadrer ce silence (Miles Davis)
Essayons d'appréhender objectivement nos perceptions subjectives
viewtopic.php?f=156010&t=161328
francis ibre
 
Posts: 4983
Joined: Thu Jan 02, 2014 10:36 am

PreviousNext

Return to Haute-fidélité

Who is online

Users browsing this forum: No registered users and 3 guests