suite au débat sur la liaison directe à propos d'un schéma de JC Morisson je me suis rappelé que j'en utilise un actuellement ,sur schéma original qui n'est pas entièrement de moi , mais que j'ai extrapolé à partir d'un schéma que je trouve très ingénieux .
Je préviens tout de suite les gens de mauvaise foi que c'est un PP et qu'aucun SE ne supporte la comparaison.
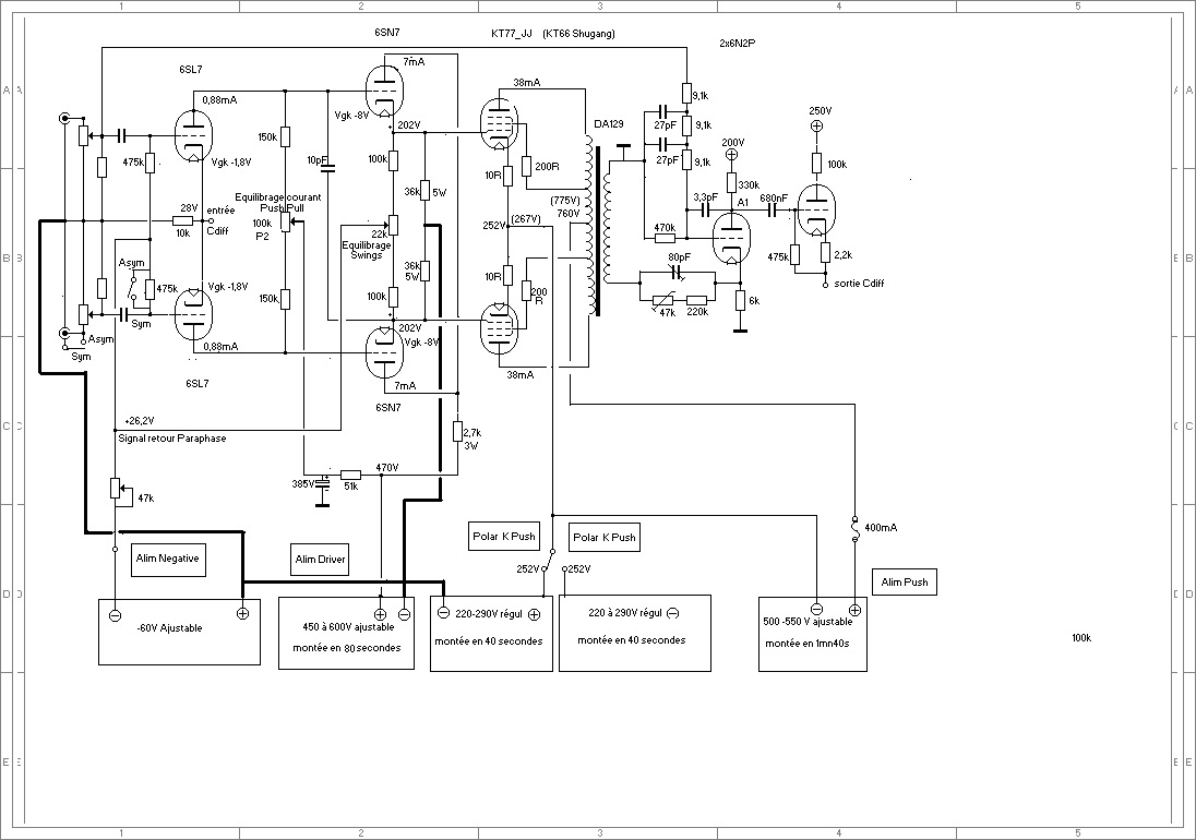
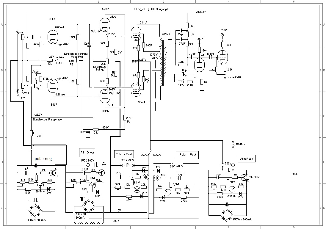
Ce qu'il y a d'ingénieux dans ce schéma c'est le déphaseur (ben oui c'est un PP les gars!!) L'auteur a baptisé ce déphaseur : Isodyne .
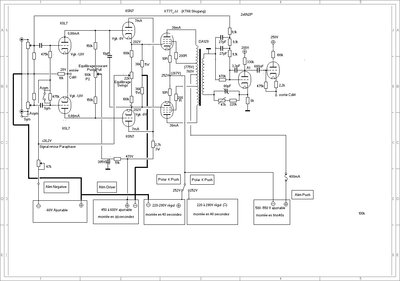
Voilà le schéma original :
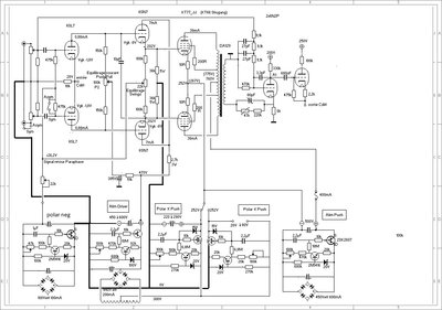
Et voilà ce que j'en ai fait
Alors évidemment l'alimentation à l'air un peu compliquée , en réalité il n'y en a que 3 , une négative et deux positives , le tout empilées .
Les deux que j'ai appelées polar Kpush ne servent pas ensemble et je vous dirai plus tard ...
En attendant j'essaye de faire au plus court.
D'abord , y un étage Cdiff , on en parle après si ça vous interresse.
La base du déphaseur isodyne est un paraphase flottant , mais avec deux triodes ajoutées en suiveur de cathode en liaison directe (cas très favorable de liaison directe)
De plus la polarisation des grilles du déphaseur dépend de la consommation en courant des tubes CF , ce qui procure une stabilisation très efficace des points de fonctionnement. (faut toujours un truc dans ce genre là en cas de liaison directe)
Comme le paraphase flottant est déjà auto stabilisé en alternatif (self balanced phase splitter comme disent les anglais) , du coup on a les deux , alternatif et continu , ça m'a plu tout de suite .
Et je précise tout de suite qu'on peut choisir les tubes qu'on veut (c'est d'ailleurs ce que j'ai fait) et les points de fonctionnement qu'on veut indépendemment l'un de l'autre, la seule contrainte c'est qu' une fois choisis il faut calculer les deux circuits en même temps
Et on peut en changer un sans changer l'autre , mais faut tout recalculer....
Ensuite , ben j'ai prolongé la liaison directe jusqu'au push parce que je trouvais que c'était dommage de ne pas le faire derrière un si beau circuit.
Le résultat :
- pas de capa de liaison et du coup pas de R de fuite
- pas de découplage de cathode
- pas de circuit de polar des grilles du push, ce schéma le fournit gratuitement
- une stabilité surprenante des points de fonctionnement des tensions et des courants jusqu'au push
- mais il faut un démarrage et un arrêt séquencé , très simple avec des stabilisation à mosfet (je vous mettrai le schéma si ça vous interresse) et j'ai mis un fusible.
- une des deux polar K me fournit une protection très efficace (laquelle ??)
- un fonctionnement mixte symétrique /assymétrique bien que le passage d'une entrée d'un type à une entrée de l'autre type provoque un orage local(je peux pas faire ça avec l'ampli allumé)
- j'ai bien des capas en entrée mais en symétrique j'ai un dac qui sort sur transfo alors je vais les enlever
- en symétrique la régul en continu du déphaseur maintient le signal parfaitement symétrique autour de sa valeur moyenne
- ça sort 45Weff à 22Hz autour de 0,1% de disto avec des KT66 et un peu moins de 60Weff avec des KT77 (JJ ecxellent d'ailleurs)
Bon j'arrête là .
A+
Edit :
j'ai oublié de vous dire que c'est le meilleur ampli que j'aie jamais eu , et j'en ai eu quelques uns , en tout cas mon dernier ampli à transistor est au placard....



