Attention ! Fermeture imminente du forum d’Elektor (pour en savoir plus, cliquer ici). À partir du vendredi 1er mars il ne sera plus possible de s’identifier sur ce forum, mais son contenu restera disponible en lecture seule jusqu’à la fin du mois. Le 1er avril, il sera fermé définitivement.

circuit entrée BCD 10 sorties ou plus

Questions générales... en particulier !

circuit entrée BCD 10 sorties ou plus

Postby yvan30 » Sat Jul 04, 2015 9:33 am

Bonjour
La mesure actuelle d'un réservoir d'eau est faite en 4 points (25,50,75 et 100) en utilisant la conductivité de l'eau.
5 boulon inox servent de capteur, 1 pour la masse et 4 pour les mesures des différentes hauteur d'eau. La liaison ente les capteurs et l'afficheur (4 led) est faite par un câble à 6 conducteurs (1 n'est pas utilisé)
Je désire augmenter le nombre de point de mesure à 10 voire 15 (de 0000 à 1111, sans changer le câble actuel.
Coté réservoir je pense faire une matrice à diode pour "coder" les 10 ou 15 mesure sur 4 conducteurs mais coté afficheur je bute sur le circuit qui permet de "décoder" les 4 "bytes" en 10 ou 15 sorties (une par led), l'alim se faisant si possible entre 11,5 et 14,8V (batterie 12V).
J'avais pensé à un circuit BCD/Decimal pour piloter les tubes nixies mais il n'existe plus (ou hors de prix).
Quel circuit puis utiliser.
Merci de votre aide.
yvan30
 
Posts: 59
Joined: Mon Jan 20, 2014 8:03 am

Re: circuit entrée BCD 10 sorties ou plus

Postby ymasquel » Sat Jul 04, 2015 10:04 am

Bonjour Yvan,

Tu as les CMOS 4514 ou 4515 (MC14514/MC14515 ou CD4514/CD4515 selon les sources).
Amicalement,
Yves.
ymasquel
Site Admin
 
Posts: 3392
Joined: Thu Jan 02, 2014 10:44 am
Location: Oise (60)

Re: circuit entrée BCD 10 sorties ou plus

Postby yvan30 » Tue Jul 07, 2015 4:26 pm

Bonjour et merci
Finalement avec 10 led l'afficheur est suffisant précis. Dans ce cas le 4028 est il adapté.
L'info réservoir plein n'est pas, à mon sens, utile car des le premier soutirage d'eau il n'est plus plein.
dans le data je trouve pas le courant des entrées
http://pdf1.alldatasheet.com/datasheet- ... 4028B.html
est ce : II DC Input Current (any one input) ± 10 mA ce qui me parais énorme?
idem pour le courant de sortie, page 5/14
Typical Output Low (sink) Current : au niveau bas le courant est positif
Typical Output High (source) Current Characteristics : au niveau haut le courant est négatif
Je rame un max

Faut t il R1 pour limiter le courant?
Faut il des capa en // avec R2 à R5 pour ....
La tension d'alim de la série HCF est limité à 15V, cela me semble très, trop, proche des 14,4V de la tension "d'absorption " de la batterie est il utile d'alimenter le montage par un régulateur 9V ou un 12V faible drop out?
Merci de votre aide
Attachments
Niveau reservoir.jpg
yvan30
 
Posts: 59
Joined: Mon Jan 20, 2014 8:03 am

Re: circuit entrée BCD 10 sorties ou plus

Postby ppa94 » Tue Jul 07, 2015 5:03 pm

Euh, ça peut pas marcher car les boulons inférieurs envoient leur code aussi...
Il faut un encodeur prioritaire (4532) côté cuve, ça remplace les diodes, par contre il lui faut une masse, donc il n'y aurait plus que 3 fils pour le code (8 niveaux).
Pour plus, il faut envisager des registres à décalage et divers pour transmettre en série, ça devient compliqué...
Cordialement,
Philippe.
ppa94
 
Posts: 415
Joined: Mon Jan 20, 2014 7:54 am
Location: Ivry-Sur-Seine, France

Re: circuit entrée BCD 10 sorties ou plus

Postby yvan30 » Tue Jul 07, 2015 5:49 pm

:oops:
poireau vous dis je
Merci
yvan30
 
Posts: 59
Joined: Mon Jan 20, 2014 8:03 am

Re: circuit entrée BCD 10 sorties ou plus

Postby yvan30 » Wed Jul 08, 2015 2:24 pm

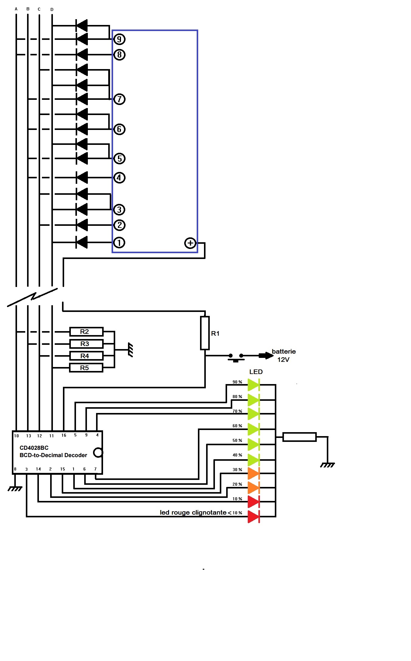
Bonjour
Suite aux conseil avisés, et la masse est présente au niveau du réservoir (alimentation de la pompe à eau) je me suis fendu d'un autre schéma que je vous soumets.
je perds l'info 90%.
Si j'ai bien compris le data du 4532, lorsque l'entrée E1 est à 0 elle force les sorties Q0 à Q2 à 0. le niveau 8 par le transistor fait cela et envoie 1 sur l'entrée D du 4028 qui voie 1000 et allume la led 80%.
data du 4532
http://pdf1.alldatasheet.fr/datasheet-p ... 532BE.html
data du 4028
http://pdf1.alldatasheet.com/datasheet- ... 4028B.html
Attachments
Niveau reservoir 1.jpg
yvan30
 
Posts: 59
Joined: Mon Jan 20, 2014 8:03 am

Re: circuit entrée BCD 10 sorties ou plus

Postby ppa94 » Wed Jul 08, 2015 4:06 pm

C'est mieux.
Les entrées CMOS inutilisées doivent toujours être câblées sinon elles chopent tout ce qui passe : D0 à la masse, les autres D1 à D8 avec une résistance à la masse.
+ des capas sur les alims, peut être.
Pour l'alim, ne pas oublier que 15V est un "maximum rating" et non une tension de fonctionnement. Comme la tension d'alim n'est pas critique, qu'une seule LED est allumée à la fois, un 78L05 à 78L08 + capas seraient les bienvenus; une résistance + zener pourrait convenir aussi...

Ceci dit, juste histoire de dire, une autre solution sans le transistor :
- Les 8 premiers niveaux vers D0 à D7, décodés en S0 à S7 => leds 10% à 80%.
- L' entrée EI au "+", sortie EO (signale aucune entrée) sur "D" du décodeur,
- Le niveau très bas "< 10%" (led clignotante) sur S8.
Cordialement,
Philippe.
ppa94
 
Posts: 415
Joined: Mon Jan 20, 2014 7:54 am
Location: Ivry-Sur-Seine, France

Re: circuit entrée BCD 10 sorties ou plus

Postby yvan30 » Fri Jul 10, 2015 8:03 am

Bonjour
ci après le schéma avec votre précieuse aide et mes fonds de tiroir.
Merci
Attachments
Niveau reservoir 2.jpg
yvan30
 
Posts: 59
Joined: Mon Jan 20, 2014 8:03 am

Re: circuit entrée BCD 10 sorties ou plus

Postby yvan30 » Fri Jul 17, 2015 9:23 am

Bonjour
j'ai trouvé le circuit sn54147, sn74147, sn54ls147, sn74ls147 qui me permettrai l'affichage de vide à 90%.
Il faut intercaler un inverseur entre ses sortie et les entrées du cd 4028.
ci après le schéma, si une bonne âme peut y jeter un œil averti.
merci
Attachments
Niveau reservoir 3.jpg
yvan30
 
Posts: 59
Joined: Mon Jan 20, 2014 8:03 am


Return to Électronique générale.

Who is online

Users browsing this forum: No registered users and 2 guests