Menig hobbyist die te maken heeft met slijpen van stenen of het maken van tandraderen kent het probleem om steeds weer het object een aantal graden te moeten verdraaien.
Dit gaat geregeld nog wel eens fout en dan kan het object al verprutst zijn.
Zou maakt mijn vader horloges, klokken en toren uurwerken. Erg interessant om te zien hoe hij dat doet...
De meeste uurwerken die hij repareert hebben geen standaard "of the shelf" tandwielen. Hiervoor heb je verdeelschijven die je op de freesbank monteert met vele gaatjes. Voor elke tand moet je de pin verzetten naar het volgende gaatje om weer de volgende tand te kunnen frezen. Erg lastig als je een keer per ongeluk een gaatje overslaat.
Voorbeeld: je wilt 12 tanden hebben en je verdeelschijf heeft 48 gaatjes. Je moet dus de pen vier gaatjes verder zetten. Het kan dus voorkomen dat je per ongeluk 3 of 5 gaatjes verder pakt. Jammer...
Dit moet anders kunnen...
Elektronisch met minimaal aantal componenten.
Extra voordeel is dat je geen verdeelschijven meer nodig hebt die erg duur zijn.
Mijn schakeling dat ik voorstel kan elke tand hoeveelheid maken zolang het maar past in het aantal slagen die het nodig heeft om het hele object 360 graden te laten draaien.
Voorbeeld:
De stappenmotor maakt 7,5 graden per stap. Dat zijn er 48 per hele omwenteling. Aan de stappenmotor hangt een vertragingskast met verhouding 1:400. Totaal aantal stappen die de stappenmotor moet maken om het object rond te laten gaan is 400 * 48 = 19200 stappen.
Dit houdt in dat het object met 0,01875 graden precisie kan draaien. Dit is nauwkeurig genoeg om tandwielen te kunnen maken.
Voor een tandwiel met 60 stappen zou de stappenmotor dus telkens 320 stappen moeten maken naar de volgende positie.
Maar niet alleen voor het maken van tandwielen kan dit interessant zijn, ook voor het maken van speciale moeren of het slijpen van stenen ( facetten ).
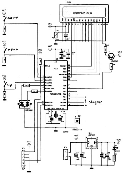
Hierbij het schema ( het betere plak en knipwerk ) en de firmware.
De firmware is gebouwd om zowel unipolaire als bipolaire stappenmotoren aan te sturen ( kwestie van extra transistoren en aansluiting B & C te verwisselen ).
Mocht je nog vragen en/of suggesties hebben hoor ik deze graag.
Ben
edit: paar typos
edit 2: foutje in schema
edit 3: twee elco's toegevoegd voor extra ontstoring





