Attention ! Fermeture imminente du forum d’Elektor (pour en savoir plus, cliquer ici). À partir du vendredi 1er mars il ne sera plus possible de s’identifier sur ce forum, mais son contenu restera disponible en lecture seule jusqu’à la fin du mois. Le 1er avril, il sera fermé définitivement.

comment marche ce recepteur 27Mhz

Un problème bien formulé est à moitié résolu.

Postby iso14000 » Wed Jan 16, 2013 12:00 am

yo! c'est noté pour le flip chip!
tant qu'un auteur sera aussi un modérateur ici (et donc plaignant et juge) je serais un Troll assumé
iso14000
 
Posts: 3083
Joined: Fri Jan 03, 2014 1:55 pm

Postby iso14000 » Thu Jan 17, 2013 12:00 am

la dernière.... promis!

Le super ré... et bé ... comment faire une thèse avec un tranzibar!

pffffffou pas facile facile °-(
Attachments
helico.jpg
tant qu'un auteur sera aussi un modérateur ici (et donc plaignant et juge) je serais un Troll assumé
iso14000
 
Posts: 3083
Joined: Fri Jan 03, 2014 1:55 pm

Postby iso14000 » Thu Jan 17, 2013 12:00 am

treels : es tu sur qu'aucun de tes jouets n'as pas un de ces recepteurs???? hum?
tant qu'un auteur sera aussi un modérateur ici (et donc plaignant et juge) je serais un Troll assumé
iso14000
 
Posts: 3083
Joined: Fri Jan 03, 2014 1:55 pm

Postby treels » Fri Jan 18, 2013 12:00 am

es tu sur qu'aucun de tes jouets n'as pas un de ces recepteurs

Vi, vi !

Tous mes RX sont identiques (ça permet une fois pour toute de n'utiliser qu'un seul TX)

Ici, c'est du Futaba, FP-R115F, 41 Mhz, en double conversion.

Voilou.

Bye
Qui ne supporte la critique ne progressera point.
User avatar
treels
 
Posts: 807
Joined: Fri Jan 17, 2014 4:34 pm

Postby iso14000 » Fri Jan 18, 2013 12:00 am

attends!!!

ce gros recepteur là ! il rentre sur tes tout petits hélico?

parce que le mien c'est une petite rogne metal cop de modelco.... comment veux tu qu'il décole après????


A++
tant qu'un auteur sera aussi un modérateur ici (et donc plaignant et juge) je serais un Troll assumé
iso14000
 
Posts: 3083
Joined: Fri Jan 03, 2014 1:55 pm

Postby treels » Fri Jan 18, 2013 12:00 am

Ben, pas si petits que ça.

Le plus maigre (double rotors bleu, sur la photo) fait tout de même dans les 30 cm de long.
Qui ne supporte la critique ne progressera point.
User avatar
treels
 
Posts: 807
Joined: Fri Jan 17, 2014 4:34 pm

Postby iso14000 » Sat Jan 19, 2013 12:00 am

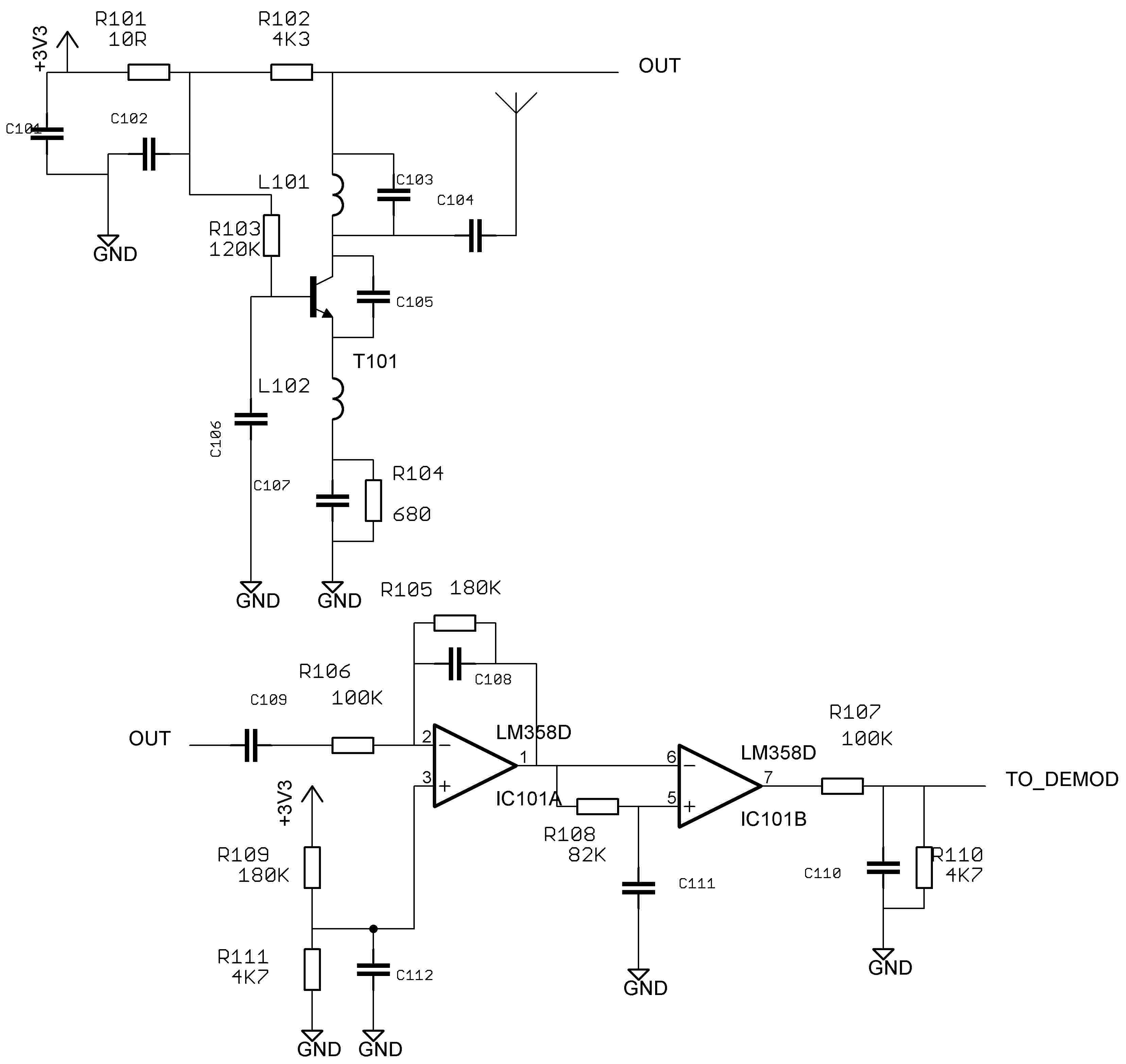
si quelqu'un pouvait m'aider:

je me suis mis en tête de simuler ce récepteur avec spice.....

... marche pô!

A+
Attachments
helico-sim.jpg
tant qu'un auteur sera aussi un modérateur ici (et donc plaignant et juge) je serais un Troll assumé
iso14000
 
Posts: 3083
Joined: Fri Jan 03, 2014 1:55 pm

Postby treels » Sun Jan 20, 2013 12:00 am

Marchera pas, Florent, du moins, tel quel.

Une astuce, peut-être.

As-tu déjà simulé un simple oscillateur quartz, sous Spice ?

Pas évident.

La solution consiste à "stimuler" le démarrage.

Pareil ici, probablement.

Ajoute une source 27 Mhz au bidule, connectée à l'emetteur du trans, par exemple, via un inter.

Tu lances la simu, et tu coupe la source (inter).
Faut parfois le faire 3 ou quatre fois, hein !

Mais, au bout du compte, ça oscille.

Sur l'entrée antenne, bien sûr, une source 27 Mhz, de quelques µv, et zou !

Amicalement.
Qui ne supporte la critique ne progressera point.
User avatar
treels
 
Posts: 807
Joined: Fri Jan 17, 2014 4:34 pm

Postby iso14000 » Sun Jan 20, 2013 12:00 am

'lut!

ben si je l'ai mis la petite pichnette... c'est V2 qui est actif quelques ms et chatouille pil poil sur la f0......

marche pô

comprends pô
tant qu'un auteur sera aussi un modérateur ici (et donc plaignant et juge) je serais un Troll assumé
iso14000
 
Posts: 3083
Joined: Fri Jan 03, 2014 1:55 pm

Postby treels » Sun Jan 20, 2013 12:00 am

Je vais tenter sous Multisim, sitôt que possible (du monde à la maison, là ... Grrr !)

A toute.
Qui ne supporte la critique ne progressera point.
User avatar
treels
 
Posts: 807
Joined: Fri Jan 17, 2014 4:34 pm

PreviousNext

Return to Mon circuit ne marche pas (encore)

Who is online

Users browsing this forum: No registered users and 1 guest