bei der Planung des Grundlagenkurses ist auch rausgekommen, dass es jeweils ein paar Quizfragen geben soll. Ab Februar wird das auch so sein, und man kann sogar etwas gewinnen. Aber im Januarheft hat es wegen Platzmangel nicht mehr geklappt. Die Fragen waren aber schon fertig. Hier sind sie. Man kann zwar diesmal nichts gewinnen, ich würde mich aber freuen, wenn sie eine Diskussion um die korrekten Antworten hier im Forum anregen würden.
Quiz-Fragen:
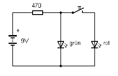
Betrachten Sie die Schaltung mit zwei LEDs und überlegen Sie, was da passiert. Oder bauen Sie sie auf und testen Sie es.
1) Welchen Strom erwarten Sie bei geöffnetem Schalter?
a) ca. 10 mA
b) ca. 15 mA
c) ca. 20 mA
2) Was passiert, wenn der Schalter geschlossen wird
a) Beide LEDs leuchten gleich hell
b) Grün bleibt an, Rot bleibt aus
c) Rot geht an, Grün wird dunkel
3) Nun setzen Sie zwei weiße LEDs in die Schaltung ein. Zuerst ist der Schalter noch geöffnet, nur eine LED leuchtet. Dann schließen Sie den Schalter. Was passiert?
a) Es fließt ungefähr der gleiche Gesamtstrom, jede LED erhält etwa die Hälfte.
b) Die Gesamthelligkeit wird erheblich gesteigert, und damit auch der Wirkungsgrad.
c) Der Vorwiderstand wird überlastet und geht in Rauch auf.'

