Attention ! Fermeture imminente du forum d’Elektor (pour en savoir plus, cliquer ici). À partir du vendredi 1er mars il ne sera plus possible de s’identifier sur ce forum, mais son contenu restera disponible en lecture seule jusqu’à la fin du mois. Le 1er avril, il sera fermé définitivement.

Evolution PP KT88 triode classe A

Les deux livres de Francis Ibre : <a href="http://www.elektor.fr/nos" target=_blank><U>Tubes audio anciens & récents</U> (2007)</a> et <a href="http://www.elektor.fr/audiotubes" target=_blank><U>Audio tubes </U> (2010)</a>

Re: Evolution PP KT88 triode classe A

Postby Marc77 » Mon Nov 20, 2017 6:38 pm

Bonjour à tous,

je me pose quelques questions auxquelles je n'arrive pas à trouver de réponse.
La première est celle-ci : est-ce qu'on doit limiter la capacité de sortie en tension du tube qui attaque les KT88s pour éviter d'avoir une tension de grille positive sur ceux-ci ?

Merci
Marc
Marc77
 
Posts: 65
Joined: Wed Apr 16, 2014 4:44 pm

Re: Evolution PP KT88 triode classe A

Postby francis ibre » Mon Nov 20, 2017 7:41 pm

Bonsoir Marc,

je crois préférable de prévoir un étage pilote qui module PLUS que nécessaire, donc qui donne des excursions plus fortes que le recul de grille et amènent alors les grilles du PP en positif.

En effet, si on approche les limites du driver, la distorsion augmente vite et l'écrêtage est brutal, alors que si les grilles du PP passent en positif, la distorsion apparait plus tard, et moins brutalement : je préfère...
Surtout si l'impédance de sortie du driver est basse : on fait de la "presque" classe A2 !

Autre aspect : la contre-réaction... s'il y en a une.
Si le driver écrête, la CR va essayer de corriger, en lui envoyant un signal encore plus fort, puisqu'en sortie il n'y a pas assez de niveau : on va très vite vers un signal "carré"...
Au contraire, si l'étage PP va en grille positive, la CR va aussi corriger mais l'écrêtage sera progressif, le sinus s'écrase de plus en plus sur les pointes mais sans "tronquer" carré.

Francis
La véritable musique est le silence et toutes les notes ne font qu'encadrer ce silence (Miles Davis)
Essayons d'appréhender objectivement nos perceptions subjectives
viewtopic.php?f=156010&t=161328
francis ibre
 
Posts: 4983
Joined: Thu Jan 02, 2014 10:36 am

Re: Evolution PP KT88 triode classe A

Postby jaja75 » Tue Nov 21, 2017 6:05 am

Bonjour

Un étage de puissance voit sa grille passer positive si l'amplitude du signal appliqué (pointes de modulation) est supérieure à ce qu'admet au maximum l'étage de puissance.

Cela veut dire que les pointes de modulation appellent une puissance de sortie supérieure à la capacité de l'étage de puissance.

Deux solutions :
- baisser le volume....
- redimensionner l'étage de puissance pour lui donner une capacité de puissance de sortie supérieure en évaluant correctement le besoin

Par ailleurs, la plupart des étages de puissance sont attaqués par un montage à impédance de sortie moyenne (20 à 40 kOhm) et n'ont pas la capacité à fournir le courant de grille appelé par le passage en positif de la tension grille-cathode du (des) tubes de puissance. Que ce soit un déphaseur de Schmitt, un dépahseur cathodyne, ou un driver en cathode commune comme dans le schéma Williamson.

Dans ces condtions, lorsque l'un des tubes de puissance passe en tension grille positive, son impédance d'entrée chute considérablement en plus de consommer du courant. L'étage d'attaque voit sa charge chuter brutalement, donc son gain, en même temps qu'apparait une très forte distorsion du signal.

Lorsque l'amplitude du signal diminue, la tension de grille-cathode ne redevient pas instantannément négative car la capacité de liaison doit se décharger et inverser la tension à ses bornes. Cela se fait avec une certaine constante de temps (qui peut ateindre la seconde) dépendant des impédances en présence et de la valeur de la capa de liaison. Le recouvrement à une situation normale prend donc du temps.

En cas de CR, le signal de CR retourné sur l'étage d'entrée (ou celui où le retour CR est appliqué) chute aussi considérablement. La contre-réaction disparait brutalement. L'étage d'entrée ne voit plus de signal de CR et prend donc son gain de boucle ouverte.

En conséquence, l'amplitude du signal appliquée à l'étage d'attaque de l'étage de puissance augmente considérablement (de 10 à 20 fois selon le taux de CR initial). Et il est en pleine surcharge sur l'une des branches du PP. Son amplitude de sortie tend à baisser à cause de la surcharge mais en même temps elle augmente par augmentation forte de l'amplitude appliquée en entrée.

Bref, le blocage du tube de puissance correspondant a toutes chances de persister et d'allonger le temps de recouvrement ! C'est un phénomène classique connu depuis les années 50. La présence d'une CR aggrave le phénomène.

Sauf si l'étage d'attaque est à basse impédance, avec une capacité à fournir du courant. Un étage en anode commune par exemple (cathode follower). Mais rare sont les amplis ayant cette architecture (sauf dans le domaine des amplis de sonorisation conçus pour travailler en classe A2).

Je l'ai expérimentée sur tous mes amplis (PPKT88, PPECL86, WCF/OTL) mais j'ai dimensionné leurs étages de puissance pour que ce phénomène n'apparaissent pas dans toutes mes conditions d'écoute.

Jean
jaja75
 
Posts: 830
Joined: Wed Feb 11, 2015 8:57 pm
Location: Paris

Re: Evolution PP KT88 triode classe A

Postby Marc77 » Tue Nov 21, 2017 5:51 pm

Bonjour Francis et Jean,

Merci pour vos réponses. Si j'ai bien compris pour Francis il faut mieux un étage pilote qui peut fournir un peu plus de tension, mais pour Jean ceci n'a pas vraiment d'importance, le principal étant de ne pas dépasser la puissance maximale que l'amplificateur puisse fournir. Est-ce bien ça ?

Pour ma deuxième question cela concerne le point de polarisation de l'étage de puissance. Une enceinte ayant une courbe d'impédance fluctuante, pour être sûr de rester en classe A, est-ce qu'il serait bien de prendre en compte une charge plus faible que prévu, (par exemple avec un transformateur de 8Kohms/8ohms et une enceinte donnée pour 8ohms mais ayant une impédance minimum de 6ohms, prévoir ses calculs pour une charge de 6Kohms), et donc choisir un point de polarisation ayant une tension plus faible et un courant plus fort ?

Marc
Marc77
 
Posts: 65
Joined: Wed Apr 16, 2014 4:44 pm

Re: Evolution PP KT88 triode classe A

Postby jaja75 » Wed Nov 22, 2017 5:26 am

Bonjour à tous

Marc77 wrote:... Si j'ai bien compris pour Francis il faut mieux un étage pilote qui peut fournir un peu plus de tension, mais pour Jean ceci n'a pas vraiment d'importance, le principal étant de ne pas dépasser la puissance maximale que l'amplificateur puisse fournir. Est-ce bien ça ?

Je n'ai pas dit que le fait que l'étage pilote puisse fournir un peu plus de tension n'a pas d'importance.
Sur ce point, je partage la position de Francis : l'étage pilote doit avoir une capacité en excursion d'amplitude supérieure à celle nécessaire à l'étage PP pour limiter sa propre distorsion.

Ce que je dis, c'est que ce n'est pas normal, quand cela se produit, que les pointes de modulation appellent une puissance supérieure à la capacité de l''étage de puissance et que dans ce cas il faut le redimensionner.

Il peut être redimensionné en donnant à l'ensemble pilote-étage final une capacité à travailler en quasi classe A2, mode de fonctionnement rare en Hifi mais courant en ampli de sono.

Mais cela conditionne fortement l'étage pilote, puisque :
- il doit avoir à fournir une capacité en tension encore plus grande (mais ce serait aussi le cas en augmentant la capacité en puissance de l'étage de puissance en restant en classe A)
- il doit avoir une capacité à fournir du courant sous basse impédance de sortie, appelé par la grille du PP lorsqu'elle passe positive : ceci ne peut être obtenu simplement que par un montage en anode commune (cathode follower), qui doit être introduit entre l'étage pilote (qui ne l'est alors plus) et l'étage de puissance; c'est cet aspect que Francis aborde en évoquant un driver à basse impédance.

Marc77 wrote:Pour ma deuxième question cela concerne le point de polarisation de l'étage de puissance. Une enceinte ayant une courbe d'impédance fluctuante, pour être sûr de rester en classe A, est-ce qu'il serait bien de prendre en compte une charge plus faible que prévu, (par exemple avec un transformateur de 8Kohms/8ohms et une enceinte donnée pour 8ohms mais ayant une impédance minimum de 6ohms, prévoir ses calculs pour une charge de 6Kohms), et donc choisir un point de polarisation ayant une tension plus faible et un courant plus fort ?


Avant de choisir le point de polarisation il faut déterminer l'impédance de charge optimale à présenter entre les anodes du PP.

Optimale : compromis entre puisance max possible et distorsion accptable.

Par exemple, Osram dans sa datasheet KT66 montre la courbe suivante (KT66 connectées en tétrodes) :
KT66 Zopt.png

Perso, je choisirai Z = 9k parce que j'ai la puissance max avec une disto acceptable d'un peu moins de 5%.
Mais on peut prévilégier la disto au détriement de la puissance et choisir Z = 11 k !

L'impédance d'une enceinte donnée par exemple à 8 ohm peut effectivement baisser à 6 ohm à certaines fréquences mais aussi remonter à d'autres, peut-être jusqu' à 20 ou 30 Ohm, aux fréquences de résonance des HP employés. L'amplitude de la remontée dépend aussi fortement du filtre répartiteur utilisé à l'intérieur de l'enceinte et du soin apporté à linéariser l'impédance vue en entrée enceinte.

Supposons que l'enceinte soit donnée pour 8 Ohm, qu'elle ait un minimum à 6 et un maxi à 15 Ohm.

En ayant retenu une impédance de charge Zpp optimale de 9 k, le rapport de transformation est n²= Zhp/Zpp= 8/9000 =0,000889

Mais lorsque Zhp tombe à 6, l'impédance charge du PP devient 6/0,000889 = 6750. En se rapportant à la courbe ci-dessus on voit que la puissance se maintient mais que la disto remonte un peu.

Lorsque Zhp grimpe à 15 Ohm, l'impédance de charge du PP devient 15/0,000889 = 16875 Ohm : la distorsion diminue, ce qui est bien mais la puisance chute considérablement ce qui n'est certainement pas acceptable.

Que faire ?

Trouver un autre compromis en choissisant un rapport de transformation plus élevé.

Par exemple, fixons n²= 0,0012
@ Zhp=15 Ohm -> Zpp= 15/0,0012 = 12500 Ohm; la perte de puissance est limitée
@ Zhp=8 Ohm -> Zpp= 8/0,0012 = 6667 Ohm ( 9000 précédemment); pas de perte de puissance mais remontée acceptable de la disto
@ Zhp = 6 Ohm -> Zpp = 6/0,0012= 5000 Ohm ; pas de perte de puissance mais disto à peine acceptable.

En fait, c'est à chacun de prévilégier Puissance ou disto selon ses propres exigences.

Surtout, ce n'est pas tant la valeur minimale de l'impédance de l'enceinte qui compte que sa valeur maximale.

Il te faut l'identifier.

En mode Ultra-linéaire, la plage de Zpp pour laquelle la puisance est constante se décale un peu vers les plus basses impédances tout un s'élargisant un peu.
En mode triode c'est encore un peu plus ce qui rend moins critique la recherche du compromis Pmax/disto.

Après il faut choisir le point de fonctionnement, sachant que la pente de la droite de charge Zpp va varier autour de ce point en fonction de la variation de l'impédance de l'enceinte.

Mais, en plus de varier en amplitude, l'impédance d'une enceinte varie aussi en phase avec la fréquence.

Au global, le point de fonctionnement en fonction de la charge et de l'amplitude du signal va décrire une espèce d'ellipse autour du point de fonctionnement au repos ayant pour axe principal la pente de la droite de charge, qui varie.

Cette ellipse ne doit pas entrer dans la zone interdite au delà de la puissance maximale dissipable par le tube.

Le point de fonctionnement au repos doit être choisi un peu en dessous de la courbe de dissipation max du tube et ne pas créer de limitation lorsque la pente est minimale (Zhp max) ou maximale (Zhp min) pour les amplitudes maximales de signal.

Jean
jaja75
 
Posts: 830
Joined: Wed Feb 11, 2015 8:57 pm
Location: Paris

Re: Evolution PP KT88 triode classe A

Postby Marc77 » Wed Nov 22, 2017 1:41 pm

Bonjour Jean,

Merci pour ta réponse, ceci étant ce qui m'inquiète ce n'est pas de trouver la charge optimale, mais d'être sûr de toujours rester en classe A quelque soit la variation d'impédance de l'enceinte.

Quand tu dis :
"Le point de fonctionnement au repos doit être choisi un peu en dessous de la courbe de dissipation max du tube et ne pas créer de limitation lorsque la pente est minimale (Zhp max) ou maximale (Zhp min) pour les amplitudes maximales de signal."
je ne vois pas comment cela est possible. Si on choisi un point "sans limitation" pour Zhp min on aura forcément une limitation pour Zhp à cause de la tension choisie. Et si on augmente la tension, il faudra diminuer le courant pour ne pas dépasser la dissipation maximale du tube, et dans ce cas on ne sera plus en classe A pour Zhp min.

Marc
Marc77
 
Posts: 65
Joined: Wed Apr 16, 2014 4:44 pm

Re: Evolution PP KT88 triode classe A

Postby jaja75 » Wed Nov 22, 2017 4:02 pm

Bonsoir Marc

Pour rester en classe A, il faut :
- que sur l'alternance négative, la tension Vgk n'atteigne pas la tension de cut-off du tube (passage en classe B sur les pointes de modulation)
- que sur l'alternance positive la grille ne passe pas positive; on en a déjà parlé

Lorsque l'impédance de charge varie, ces conditions restent les mêmes.

Il faut donc que tu vérifies :
- pour le point de fonctionnement choisi,
- en modifiant la pente de la droite de charge (autour du point de fonctionnement choisi) pour qu'elle corresponde aux variations de charge produites par l'enceinte,
que les max d'amplitude appliqués sur la grille ne l'amènent pas positive ou au cut off

et déplacer un peu le point de fonctionnement retenu jusqu'à ce que ça passe pour tous les cas. Un peu fastidieux.

Il faut absolument éviter que la grille passe positive si le pilote n'est pas adapté à ce mode fonctionnement.

Si le cut-off se produit sur les max ce n'est pas grave. Le tube se bloque, mais l'autre est en conduction (l'alternance correspondante est positive); Le mode de fonctionnement passe briévement en classe B et s'accompagne d'une division par 2 de l'impédance de charge sur l'autre tube puisqu'un demi enroulemnt primaire n'est plus parcouru par le courant variable du signal.

La conséquence est une faible remontée de la distorsion lorsque la puissance demandée par les pointes du signal s'approche de la puissance max possible. De toute façon elle remonte parce l'espacement des courbes Vgk se tassent toujours du cut-off alors qu'il ne se tasse pas pour les Vgk approchant 0. Donc sur les fortes excursions, on n'évite pas, sauf emploi de triode extrêment linéaire, une distorsion asymétrique, donc d'ordre paire et cette distorsion paire est fortement réduite par le principe du PP (c'est le TR qui fait au primaire la sommation des courants variables de chaque tube).

Jean
jaja75
 
Posts: 830
Joined: Wed Feb 11, 2015 8:57 pm
Location: Paris

Re: Evolution PP KT88 triode classe A

Postby Marc77 » Fri Nov 24, 2017 11:10 am

Bonjour à tous,

Jean il m'a fallu un peu de temps pour réfléchir à ton dernier message.
En fait pour rester en classe A, j'ai toujours pensé qu'il suffisait de s'arranger pour que quand la droite de charge coupe Vg=0 , le courant correspondant soit égal à deux fois le courant de repos.

En traçant quelques droites de charge je n'arrive jamais au cut-off du tube (sauf à diminuer le courant de repos et/ou la valeur de la charge). Tout ceci me fait poser une autre question : si par exemple le double du courant de repos se produit sur Vg=-5V et que de l'autre côté de la droite de charge on n'atteint pas le cut-off du tube, que se passe t'il pour les valeurs de Vg entre -5V et 0V, et en quelle classe de fonctionnement est-on ?

Par contre je ne vois pas comment empêcher que les max d'amplitude appliqués sur la grille ne l'amènent en positive, à moins de s'arranger à ne jamais avoir besoin de plus de puissance qu'est capable de fournir l'étage de sortie comme dit dans les messages précédents.

Et une question en amenant une autre, je me demande la chose suivante : le gain de l'étage final va varier en même temps que sa charge, et donc l'effet de la contre-réaction va varier d'autant. Si la contre-réaction est faible et que la charge diminue au point que le gain en boucle ouverte de vient plus faible que le gain choisi en boucle fermé, que se passe-t-il ?

Merci
Marc
Marc77
 
Posts: 65
Joined: Wed Apr 16, 2014 4:44 pm

Re: Evolution PP KT88 triode classe A

Postby jaja75 » Fri Nov 24, 2017 4:38 pm

Bonsoir Marc

J'ai l'impression que tu mélanges différents aspects du choix du point de fonctionnement.

Je t'invite à (re)lire quelques écrits sur le sujet. Par exemple cet article :

http://www.dissident-audio.com/PP_ECL86 ... C%20v0.pdf

J'espère que cela t'aideras. Il y en a d'autres (en anglais bien souvent).

Et je passerai toujours par ici pour participer à ton projet si tu as besoin.

Jean
jaja75
 
Posts: 830
Joined: Wed Feb 11, 2015 8:57 pm
Location: Paris

Re: Evolution PP KT88 triode classe A

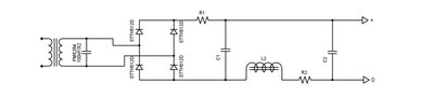
Postby Marc77 » Sat Dec 08, 2018 1:53 pm

Bonjour à tous,

j'ai besoin de quelques confirmations pour les paramètres à prendre dans le calcul de l'alimentation haute tension.
Voici le schéma de principe :

AlimElek.jpg


C'est pour un ampli PP en classe A avec une alimentation séparée par canal.
R1 est là pour limiter les pics de courant.

J'ai noté que Francis a expliqué qu'un PP classe A pouvait passer brièvement en classe B sur certaine crête et à cause de la charge, ce qui entraine une variation sur la valeur de la haute tension.
J'ai noté aussi que dans leur livre, Gérard et Gérard indique que plus la valeur de C2 est élevée plus cette variation est faible.
Francis dans un autre post conseille une valeur de R2 (somme de la résistance de la self L2 et d'une résistance éventuellement ajoutée) inférieur à 100 ohms, pour que C2 se recharge suffisamment vite.
Est-ce que dans cette limitation de 100 ohms je dois prendre en compte aussi la valeur de R1 et la résistance du transformateur d'alimentation ?

Pour le calcul de la fréquence de coupure, est-ce que je dois bien utiliser la formule suivante : 1/(2Π√(L2×C2))

Merci
Marc
Marc77
 
Posts: 65
Joined: Wed Apr 16, 2014 4:44 pm

PreviousNext

Return to Tubes audio

Who is online

Users browsing this forum: No registered users and 7 guests