Bonjour M33,
les tubes 7320 sont tout bêtement marqués... 7320... ou E84L.
On les trouve sous les marques RTC, Siemens, Valvo, principalement, et parfois Philips.
La grosse majorité des tubes en vente actuellement, sur ibé comme en boutique, proviennent d'un surplus militaire, suite à un contrat datant d'octobre 1981.
Les tubes ont été produits jusqu'en 85 environ, stockés puis fournis en lots aux armées, mais jamais mis en service avant d'être finalement déstockés par la voie des ventes des domaines.
Exemple :
http://www.ebay.fr/itm/4-x-new-E84L-732 ... SwCypWpmK-http://www.ebay.fr/itm/4-x-new-E84L-732 ... Swa-dWo4jahttp://www.ebay.fr/itm/2x-E84L-6BQ5-EL8 ... SwwE5WXZP6pas donné, certes...
Maintenant, la sonorité de cet ampli est forcément limitée par le montage des tubes en pentode, et la qualité du transfo de sortie... D'autant plus que le montage pentode met en évidence les défauts du transfo en question !
Je crains que même avec d'excellents tubes, la sonorité reste un peu "pincée", aussi je préfère te conseiller de ne pas dépenser des fortunes dans cet appareil.
Tu pourrais par exemple le retuber de neuf avec des tubes russes 6P14P-EV :
http://www.tubeampdoctor.com/de/shop_So ... B_EP_K_56886 € le quartet appairés, et ce sont des tubes militaires russes très fiables, et sonnant bien.
Autre idée : si tu n'as pas réellement besoin des 40 W de l'engin, avec des enceintes de sensibilité élevée (plus de 95 dB/1W) tu peux le passer en mode triode, c'est très facile :
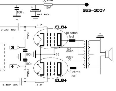
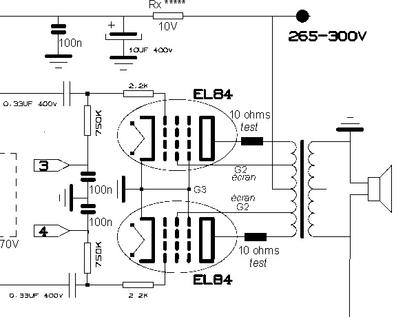
- les grilles G2 sont actuellement connectées à une alimentation stabilisée de 300 V : tu élimines ces connexions, au niveau des supports des tubes.
- et tu relies les grilles-écran G2 aux anodes par des résistances de 1 kO
- la puissance va chuter de moitié, mais tu ne le remarqueras sans doute même pas...
- la sonorité va changer nettement

- et là, des E84L seront peut-être une bonne option
Francis