Attention ! Fermeture imminente du forum d’Elektor (pour en savoir plus, cliquer ici). À partir du vendredi 1er mars il ne sera plus possible de s’identifier sur ce forum, mais son contenu restera disponible en lecture seule jusqu’à la fin du mois. Le 1er avril, il sera fermé définitivement.

ROBUSTA: Chronique d'un échec

Un problème bien formulé est à moitié résolu.

Postby ppa94 » Fri Mar 23, 2012 12:00 am

Pour ceux que ça intéresse le CubeSat français ROBUSTA, lancé par le premier VEGA n'a plus répondu assez rapidement... Pour une erreur de conception du schéma du chargeur de batteries vraiment bête...
Trouvez l'erreur : http://www.ies.univ-montp2.fr/robusta/satellite/IMG/pdf/RP_CP_2010.04.04_Carte_Puissance_V2.pdf#page=13
Cordialement,
Philippe.
ppa94
 
Posts: 415
Joined: Mon Jan 20, 2014 7:54 am
Location: Ivry-Sur-Seine, France

Postby obdh » Fri Mar 23, 2012 12:00 am

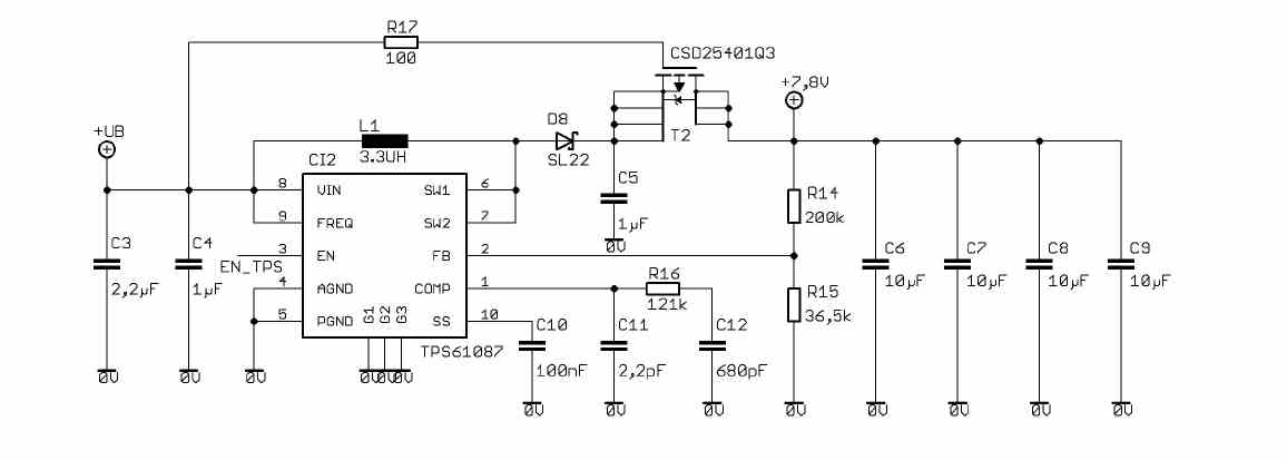
J'ai regardé assez vite, par curiosité, les schémas. Le montage des transistors est un peu surprenant, on utilise la diode parasite du canal P. Pourquoi pas. Mais c'est le genre de circuit qu'il faut vraiment bien tester à toutes les tensions, notamment si la tension batterie est très basse. Possible que le circuit réagisse mal (comparateur et références hors plages normales) et se bloque en position court-circuit des cellules, empêchant toute recharge suffisante des batteries et le redémarrage des convertisseurs en amont. Ce n'est qu'une hypothèse...
obdh
 
Posts: 487
Joined: Fri Jan 17, 2014 4:39 pm

Postby anneo » Fri Mar 23, 2012 12:00 am

Bien sur,si on court-circuit la porte au drain dans les CI des convertiseurs ca sert pas a grand chose de desamorcer ces circuits.
Attachments
ali.1.JPG
anneo
 
Posts: 1339
Joined: Thu Jan 02, 2014 10:36 am

Postby iso14000 » Sat Sep 01, 2012 12:00 am

bon bein! ça ! ça mérite du goudron et des plumes!
y étaient où les profs? en vadrouille? à leur place je serais déjà en fuite...

En plus les étudiants se sont mis à + de 10 pour écrire ce truc!

pas une seule ligne de calcul! rien que dalle ! nada! nicht!

y a pas de DRC sur cette CAO?? (eagle à première vue!)

et y ont pas fait une seule validation ! c'est nul!

En plus le schéma de l'alim c'est pas terrible : faire la régulation après un MOS de coupure... bravo
Attachments
boulets.jpg
tant qu'un auteur sera aussi un modérateur ici (et donc plaignant et juge) je serais un Troll assumé
iso14000
 
Posts: 3083
Joined: Fri Jan 03, 2014 1:55 pm

Postby ppa94 » Sat Sep 01, 2012 12:00 am

Tiens, j'avais oublié ce fil...

La note d'application constructeur utilisait un PNP selon le même principe, ça ne me choque pas plus que ça dans une NA, mais étant donné qu'ils avaient élaboré un signal propre pour valider le chip élévateur, ils auraient pu s'en servir au lieu d'un niveau de batterie analogique qui de toutes façons aurait commuté le mosfet progressivement et pas franchement.
On notera aussi la capa de 2.2 pF scrupuleusement implantée...

Mais ça aurait pu marcher sans cette stupide erreur de tracé non vérifié et surtout un CI envoyé dans l'espace sans avoir été testé !
A l'époque de mon post j'ai aussi envoyé un MP aux profs en question, mais pas de réponse; aucun communiqué officiel à part un laconique "nous avons trouvé une erreur dans le circuit de charge, il sera corrigé pour la prochaine fois".
Par ailleurs le site est mort, avec un "à bientôt pour de nouvelles expériences" ...

Le pire, c'est qu'ils ont fait des "tests" dont certains avec des moyens mis à disposition par l'ESA et autres constructeurs.

Ils n'ont même pas simulé l'alternance jour/nuit d'une orbite rapide pour tester leur système de charge...

Quand on voit la qualité et le volume du pdf de documentation (le plus complet disponible), c'est à pleurer.

Cordialement,
Philippe.
Cordialement,
Philippe.
ppa94
 
Posts: 415
Joined: Mon Jan 20, 2014 7:54 am
Location: Ivry-Sur-Seine, France

Postby iso14000 » Tue Sep 04, 2012 12:00 am

je me flagelle le dos!

oui ça marche (mieux avec un bipolaire) mais bon perdre d'office un Vce fait tache avec les termes "high efficiency" ...

flo... guilty!
tant qu'un auteur sera aussi un modérateur ici (et donc plaignant et juge) je serais un Troll assumé
iso14000
 
Posts: 3083
Joined: Fri Jan 03, 2014 1:55 pm


Return to Mon circuit ne marche pas (encore)

Who is online

Users browsing this forum: No registered users and 2 guests