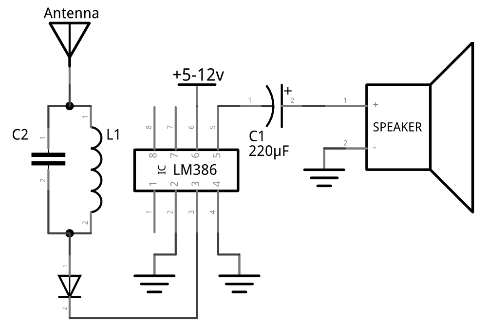
The problem is that I hear a sound of noise or buzz from the speaker. When I touch Pin 3 (The input) or the Antenna, The sound become higher but anyway no radio station is received.

I've made a radio transmitter using a transistor before so, I turned it on. The receiver circuit received the song Which is the input of the transmitter. It receives no matter the values of the C2 and L1 of the Tank circuit so, I removed the tank circuit and connected the antenna directly to pin 3 and It also works receive the song.
Why it doesn't receive any radio station although it receive the signals that are transmitted by the transmitter circuit that I've made ?
What can I do to receive radio stations ? ( I live in area Where I can receive good radio stations AM and FM from my cell phone and Radio device )
here is the details of the IC :[url removed -- stealth advertising detected -- admin ]
