Oha

Vorweg: Du solltest wirklich verstanden haben, wie eine Bootstrapschaltung fiunktioniert, sonst probierst Du nur rum, bist gefrustet und verstehst nicht, das bei dem IC abgeht.
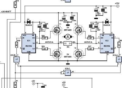
Dann ist es absolut zwingend, dass man das Datenblatt des ICs liest, das man bearbeitet. Also: Keine 12V an Pin1! Wirklich nicht.
Bootstrap: Das ist eine Art Münchhausenschaltung, die sie die Spannung generiert, die sie braucht.
Betrachte IC1: Wird das IC mit einem Rechtecksignal angesteuert, werden auch T1 und T2 so angesteuert, dass sich ein Rechtecksignal am Schaltungsausgang MB+ ergibt. Wenn an Pin 1 gerade low liegt, wird T2 durchgesteuert. C9 (C31 vergessen wir hier mal) wird nun Über D3 Und T2 auf fast VCC = 15 V aufgeladen. Schaltet der Pegel an Pin 1 dann auf high, wird T1 durchgesteuert und da der Kondensator C9 noch geladen ist und an MB+ jetzt die Akkuspannung von 24 V anliegt, stehe jetzt an Pin 8 resultierende 24 V + 15 V = 39 V zur Verfügung. Das ist nötig, da das Gate von T1 für volles Durchschalten etwa 10 V über der Spannung der Source liegen sollte. Das IC versorgt sich also mit dem Trick über C9 und D3 selbst mit dieser erhöhten Spannung. Das ist bootstraping in diesem Fall.
VS hat damit nichts zu tun. Das ist ein Eingang, mit dem das IC die Schaltvorgänge überwacht und
muss so angeschlossen werden wie im Schaltbild.
Von daher ist es kein Wunder, dass die Spannung an Deiner Lampe zusammenbricht, wenn kein Rechtecksignal anliegt, sondern statisches high.
Die IC sind
NICHT für statische Sibnale gemacht. Sie funktionieren
NUR mit Rechtecksiognalen korrekt!
Und bitte: 5V an Pin 1 genügen!
Wichtig: Beide Halbbrücken werden im
Gegentakt angesteuert. Sie müssen im Gegentakt angesteuert werden.
Hierfür ist IC9.C zuständig, das als Inverter geschaltet das Drehrichtungssignal CW/CCW-B invertiert und so dafür sorgt,
das IC 2 exakt den Gegentakt erhält von IC 1. Das ist
notwendig. Wenn Pin 1 von IC1 = low dann Pin 1 von IC2 = high und umgekehrt. Nur so funktioniert das.
Da werden keine falschen Transistoren angesteuert.
Die Schaltung ist Standard und so schon so extrem oft gebaut worden, dass ich Dir versichern kann, dass wenn was klemmt, das nicht die Schaltung ist

Definitiv nicht

Das IC geht sicher deutlich über 10 kHz. Da muss sonstwas nicht stimmen in Deinem Aufbau.
Also: Für den Testaufbau brauchst Du nicht nur IC1 und IC2 nebst den vier FETs, sondern D3, D4, C9, C5, R20, R22, IC9.A bis IC9.C und die beiden Versorgungsspannungen: 5V für IC9 und 15 V für IC1 und IC2 sowie die Batteriespannung.
Außerdem ist noch eine 5-V-Rechteckspannungsquelle mit einstellbarem Puls/Pausenverhältnis notwendig, mit dem das Signal PWM-L simuliert wird.
Mit statischen Signalen wird das nichts. Ein Oszilloskop ist hilfreiche zum schauen, was sich da alles so tut.
Und eine so ausführliche Erklärung bleibt die Ausnahme, ja?
Thomas