Attention ! Fermeture imminente du forum d’Elektor (pour en savoir plus, cliquer ici). À partir du vendredi 1er mars il ne sera plus possible de s’identifier sur ce forum, mais son contenu restera disponible en lecture seule jusqu’à la fin du mois. Le 1er avril, il sera fermé définitivement.

alimentation ponts de jauges

Un problème bien formulé est à moitié résolu.

Postby thierrytokam » Wed Jul 04, 2012 12:00 am

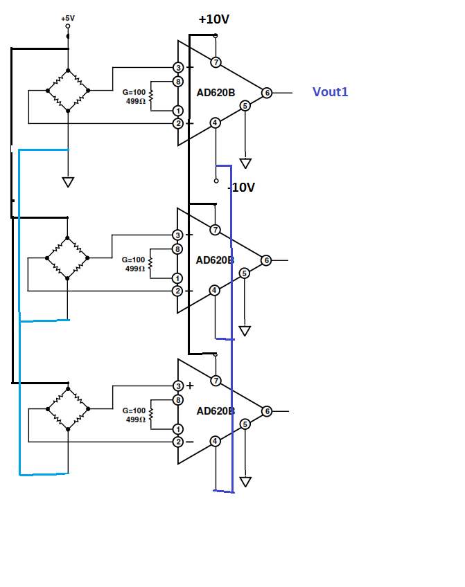
bonjours a tous mon problème est peut être bête mais j'arrive pas à comprendre.en fait je suis entrain de réaliser un circuit pour mesure la déformation avec 6 ponts de jauges donc chacun doit être indépendant . je réalise donc 6 pont de Wheatstone avec 6 ampli d’instrumentation (AD620an) pour mesurer la chute de tension après une déformation. le problème est que j'alimente mes 6 ponts de jauge avec une seul alimentation de 5v et mes 6 ampli avec +-10V. les sortie sont donc sensible l'une de l'autre c'est a dire quand j'effectue une variation sur un pont es sortie les autres varie aussi mais légèrement.je voudrais donc savoir comment isole chaque circuit de facon a rendre vraiment indépendant sans utiliser 6 alim différent.
Attachments
circuit.png
thierrytokam
 
Posts: 1
Joined: Mon Jan 20, 2014 8:13 am

Postby totofmex » Wed Jul 04, 2012 12:00 am

Bonjour Thierry,
Je ne suis pas un expert dans les jauges mais la première idée qui me vient, c’est de mettre un ampli op en suiveur pour alimenter chaque pont (Alimente par les 10V).
Bien sur, il faut que les valeurs des résistances de tes ponts ne soient pas trop faibles.

De plus, si ton alim 5V qui servira de référence n’est pas trop stable, alors je te conseillerai de mettre un circuit spécialisé comme référence de tension pour tes 6 amplis OP qui seront en suiveurs.

Peut-être avant de passer par les ampli op, il faudrait essayer de bien filtrer ton alim 5V et de rajouter sur chaque pont une capa de 10uF en // avec une de 100 nF.
totofmex
 
Posts: 50
Joined: Mon Jan 20, 2014 7:53 am

Postby iso14000 » Fri Aug 03, 2012 12:00 am

A moins que les ampli d'instrumentation aient un faible CMRR je ne vois pas le problème.... à moi que l'on nous cache qqlq chose....
tant qu'un auteur sera aussi un modérateur ici (et donc plaignant et juge) je serais un Troll assumé
iso14000
 
Posts: 3083
Joined: Fri Jan 03, 2014 1:55 pm


Return to Mon circuit ne marche pas (encore)

Who is online

Users browsing this forum: No registered users and 2 guests