Attention ! Fermeture imminente du forum d’Elektor (pour en savoir plus, cliquer ici). À partir du vendredi 1er mars il ne sera plus possible de s’identifier sur ce forum, mais son contenu restera disponible en lecture seule jusqu’à la fin du mois. Le 1er avril, il sera fermé définitivement.

clapinter decembre 2004 fonctionne a moitié...

Un problème bien formulé est à moitié résolu.

Postby elektrax » Sun Nov 04, 2012 12:00 am

bonjour,

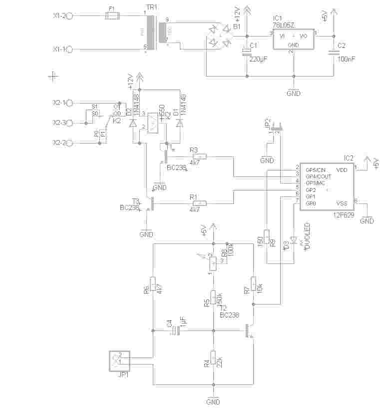
je viens de terminer le clap inter dec2004 p 53 :

c'est bien de donner le fichier brd et sch d'eagle 4.03, meme si je ne l'ai pas utilisé
j'ai redessiné le pcb pour s'adapter au relais bistable de recup a 2 bobines : brochage différent du circuit original
le asm est écrit pour 12f675 (include processor list), réassembler pour le 675 ok, pgmer non, erreur config word, config 0f4d ....

pgmer un 12f629 directement avec le KS.HEX, çà fonctionne plus ou moins : le relais s'enclenche avec un seul clap et pas deux, la sensibilité est faible : peut etre a cause de l'electret utilisé....

bref pas terrible, j'ai encore de meilleure résultat avec le clapinter de hobbytronic que j'ai fait moitié des années 90 : 1 lm324, alim secteur condo, et surtout relais "normal" cdé par un 4013

scan hobbytronic ici :

http://dessoudeurs-ex.lebonforum.com/t91-realisation-interrupteur-commande-par-claquement-de-main

dernier message du topic

et en "live" ici

http://www.dailymotion.com/video/xtfjn0_essaiclapinter_tech

20 sec de pub avant la video, désolé, ne cliquez pas si la pub vous ennuie

merci
elektrax
 
Posts: 165
Joined: Mon Jan 20, 2014 8:01 am

Postby iso14000 » Sun Nov 04, 2012 12:00 am

je présume que tu n'as pas de scope?

à quoi sert jp2?
Attachments
clapinter.jpg
tant qu'un auteur sera aussi un modérateur ici (et donc plaignant et juge) je serais un Troll assumé
iso14000
 
Posts: 3083
Joined: Fri Jan 03, 2014 1:55 pm

Postby elektrax » Sun Nov 04, 2012 12:00 am

pour jp2 : tres bonne question, d'apres l'article "jp2 sert pour les options du programme", lesquelles ? en étudiant l'asm peut etre ....

j'ai un oscillo tds210, j'ai des analogiques aussi mais ils sont rangés dans une armoire au grenier pour mes descendants qui n'existeront jamais .... trop encombrants .... je regarderai l'amplitude des signaux audio plus tard

merci
elektrax
 
Posts: 165
Joined: Mon Jan 20, 2014 8:01 am

Postby iso14000 » Sun Nov 04, 2012 12:00 am

bon
je vois

et un petit coup de scope sur le collecteur du transibar qui fait office d'ampli pour le micro?

parce que c'est tout de même bizarre de régler un "gain" en modifiant la polar ....

A++
tant qu'un auteur sera aussi un modérateur ici (et donc plaignant et juge) je serais un Troll assumé
iso14000
 
Posts: 3083
Joined: Fri Jan 03, 2014 1:55 pm

Postby iso14000 » Sun Nov 04, 2012 12:00 am

j'ai regardé le code viteuf...

rien sur le switch... même pas déclaré.

As tu branché des leds comme indiqué? car elle permettent de faire du débug...

Sinon pour tes scopes? pourquoi ne pas en faire don ou bien à vil prix des jeunes que cela pourrait rendre heureux? hum?

A++
tant qu'un auteur sera aussi un modérateur ici (et donc plaignant et juge) je serais un Troll assumé
iso14000
 
Posts: 3083
Joined: Fri Jan 03, 2014 1:55 pm

Postby ymasquel » Sun Nov 04, 2012 12:00 am

Bonjour Elektrax,

Pour info JP2 est sur MCLR donc peut servir au RESET et aussi à la programmation In Situ avec ICSPDAT (sur GP0) et ICSPCLK (sur GP1) moyennant quelques résistances de protection entre les fonctions de programmation et celles de l'application.

Amicalement, Yves.
Amicalement,
Yves.
ymasquel
Site Admin
 
Posts: 3392
Joined: Thu Jan 02, 2014 10:44 am
Location: Oise (60)

Postby iso14000 » Sun Nov 04, 2012 12:00 am

gain max quand R8=0

courant dans R5= (5V-0.6V) / 50 K = 88µA

courant dans R4= 0.6V/22k=27µA

courant dans la base du transibar 88-27=61µa

avec un B (béta) théorique de 100 Ic= 6mA mais 6mA à travers R7 cela fait 10k*6mA = 60V! => le transistor est grave grave saturé!

donc même sans signal la sortie sera probablement à 0V il faut faire reculer la polar pour voir la sortie grimper à 5V...

gain min quand R8=100K

courant dans R5 = 4.4V/150K=30µA
courant dans la base 30µA-27µA=3µA
Ic= 300µA , à travers R7 cela fait 10k*300µA=3V

le gain sera directement gmR7 avec un gm = 40*300µ= 1.2mS
soit 12

question n°1
est ce que ce gain est suffisant pour faire des créneaux avec un micro à FET?

question n°2
comment le soft gère les signaux ? (j'ai pas l'article)

question n°3
quels sont les critères de réglage de R8?

A++
tant qu'un auteur sera aussi un modérateur ici (et donc plaignant et juge) je serais un Troll assumé
iso14000
 
Posts: 3083
Joined: Fri Jan 03, 2014 1:55 pm

Postby elektrax » Sun Nov 11, 2012 12:00 am

bonjour,

quand on tourne le pot de sensibilité à fond : le relais fait flip flop et la led clignote, meme en revenant moins sensible, çà en change plus : solution : reset en cc jp2

soit trop sensible : se declenche tout seul, soit mi sensible s'enclenche quand je tousse a un metre, et fonctionne en clap a max 3 metres, soit le moins sensible : fonctionne a un mettre avec 2 claps, a 2 metres ne fonctionne plus, tout çà "sur table" à l'atelier et sans bruit "de fond" : tv, musique, conversations.

bref j'abandonne

merci
elektrax
 
Posts: 165
Joined: Mon Jan 20, 2014 8:01 am

Postby iso14000 » Sun Nov 11, 2012 12:00 am

salut.

Si tu veux me l'envoyer ... je vais lui faire peur à ce truc!

A++
tant qu'un auteur sera aussi un modérateur ici (et donc plaignant et juge) je serais un Troll assumé
iso14000
 
Posts: 3083
Joined: Fri Jan 03, 2014 1:55 pm

Re: clapinter decembre 2004 fonctionne a moitié...

Postby teprojects1 » Thu Apr 19, 2018 5:49 pm

Hi,

LM324 is am operational amplifier and it has 14 pins in total. It has four amplifiers embedded in a single chip. If you wanna work on this op amp then you should read this Introduction to LM324 as they have shared all about this op amp and have also shared its Proteus Simulation to download.

Thanks.
You should also check The Engineering Projects because they have posted a lot of Arduino Projects.
teprojects1
 
Posts: 14
Joined: Wed Nov 23, 2016 1:44 pm


Return to Mon circuit ne marche pas (encore)

Who is online

Users browsing this forum: No registered users and 1 guest