Ich habe mir die Axemotion Lösung zugelegt und gleich gesehen, daß im "Arbeitsfluss" die automatische Steuerung der Spindel (An/Aus) sowie die Erfassung der Werkzeuglänge sinnvoll ist. Das gilt allerdings auch für die Vorgänger-Hardware, nur war dort nicht oder nicht gut genug dokumiert, wie man den Ausgang sowie den Eingang verhackstückt.
Das ist bei der Axemotion Platine topp. Ein Relais als potentialfreier Kontakt steht zur Verfügung zu Spindelsteuerung.
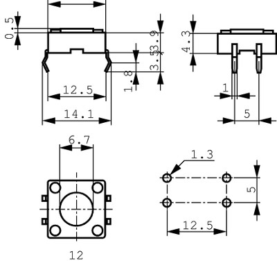
Ein Eingang (ca. 11V pull-up 2-3mA) läßt sich mittels Optokoppler problemlos auf 0V ziehen - Werkzeuglänge! Dazu habe ich einen im Baumarkt (KFZ Abteilung) erhältlichen Zugschalter (dickes fettes Ding mit Knopf, alter VW-Lichtschalter) auseinandergerissen. Der Knopf, eine Feder, der Einbauteil, und dann ein Näherungsschalter, induktiv, alles in einem flachen kleinen Gehäuse aneinander gehängt.
Das ergibt dann zusammen mit dem Optokoppler einen induktiven Z-Nullpunkt-Sensor, der, so wie es bisher scheint, eine Repetiergenauigkeit von 0.01 mm hat. Gut genug für mich, vorerst. Verschleißfrei, außerdem.
Dazu benötigt es allerdings eine Spannungsversorgung und damit das ganze von der Fräse isoliert ist, einen eigenen winzigen Printtrafo, Gleichrichter und Elko. Diese Spannung versorgt sowohl den Induktiven Sensor und den Optokoppler, als auch einen "Solid State Relay" über den potentielfreien Kontakt des Axemotions Boards, welches den Spindelmotor einschaltet. Ok, also ein kleines Gehäuse außerhalb des Profilers...
Schade daß diese Mimik nicht schon von vorneherein im Profiler drin war, denn so aufwändig war sie nicht.
Die kleine Schachtel mit dem sebstgebautem "Sensor" habe ich z.B. lediglich mit sekundenkleber (ich weiss, igittt) am Profilerrand befestigt.
Falls jemand zur Schaltung mehr wissen möchte, einfach anpingen! Es war nicht viel was da benötigt wurde. Ein induktiver Näherungssensor ist in der Bucht billig zu holen und besser und verschleissfreier als jeder mikroschalter.
Grüße,
FanDjango

