Das Elektor-Forum schließt seine Pforten (siehe auch http://www.elektormagazine.de/forum). Ab Freitag, den 01. März, ist es nicht mehr möglich, sich im Forum einzuloggen. Alle Inhalte des Forums bleiben jedoch bis Ende März noch sichtbar. Am 01. April wird das Forum schließlich komplett geschlossen.

Wobbel-Funktionsgenerator Schaltplan gesucht

Analog, HF, Akkus, Grundlagen, Praxistipps,<br>allgemeine technische Fragen...

Wobbel-Funktionsgenerator Schaltplan gesucht

Postby tuuice » Tue Apr 18, 2017 6:51 am

Hallo Forum,

ich habe Anfang der '90er einen Wobbel-Funktionsgenerator nach einem Elektor Entwurf gebaut. Das war ein Projekt incl. Platinenlayout's. Nun soll er repariert werden, aber der Schaltplan fehlt mir. Der Elektor Support konnte mir nicht die richtige Schaltung liefern.
Daher die Frage an das Forum, ob jemand evtl. noch den Schaltplan aus der Zeit hat und mir eine Kopie zusenden kann.

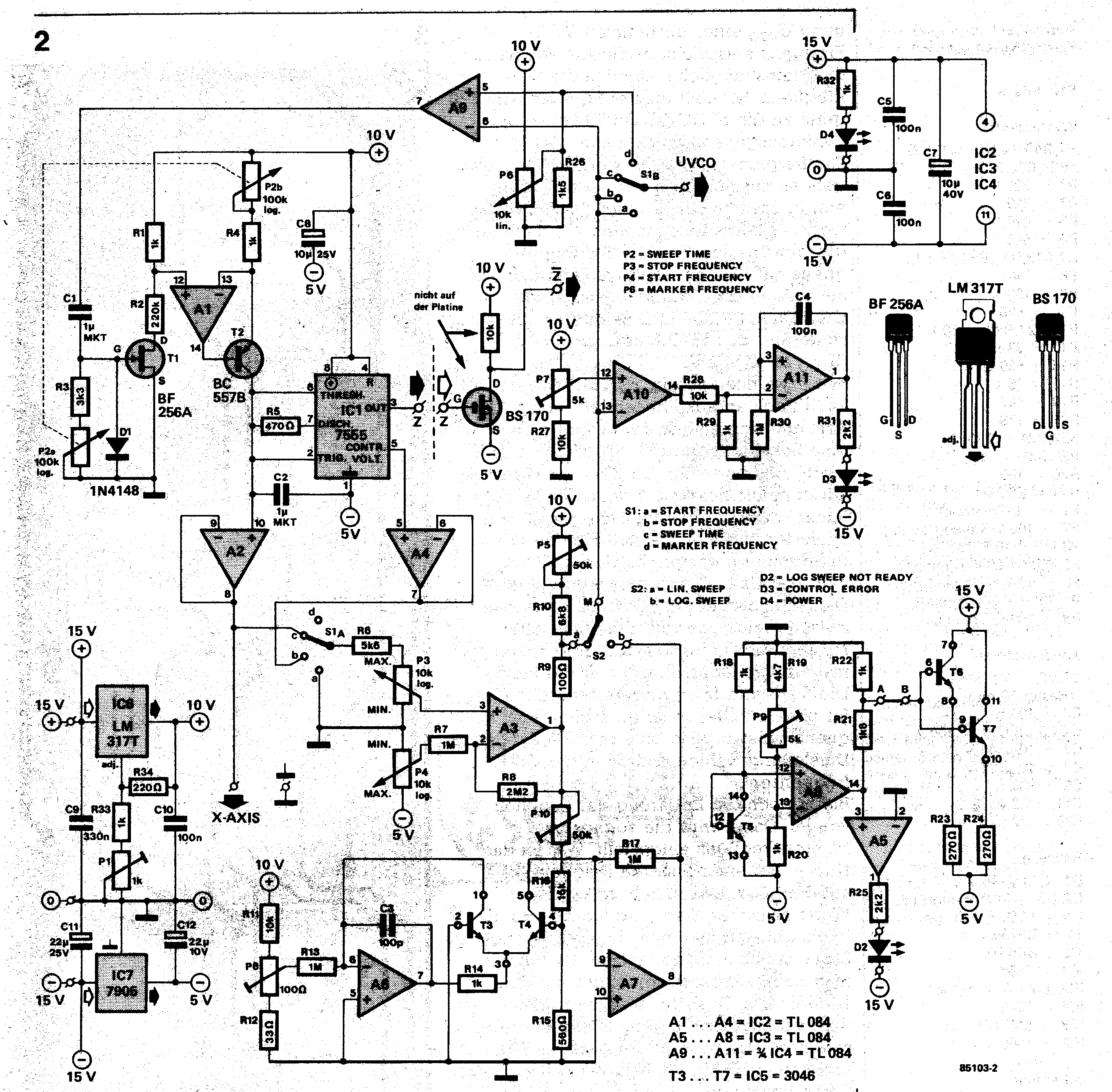
Es handelt sich um den Funktionsgenerator mit dem XR2206 und einem Wobbelteil mit NE555, CA3046 und 3x TL084. Der CA3046 diente als temeraturstabilisierter Ofen für die log. Darstellung. Auf der Platine sind Poti's für Start-, Stop, Marker-Frequenz. Die Platinenummer ist: 85103.
Die Schaltung ist wahrscheinlich aus dem 'Audio-Schaltungsbuch, Elektronik für den guten Ton'.

Wenn jemand den Schaltplan liefern kännte wäre ich sehr dankbar...

Gruß,

Stefan
tuuice
 
Posts: 2
Joined: Tue Apr 18, 2017 6:25 am

Re: Wobbel-Funktionsgenerator Schaltplan gesucht

Postby Elektron67 » Wed Apr 26, 2017 9:53 am

Zu der Platine 85103 gehört diese Schaltung, der 2206 gehört dann wohl zum notwendigen Funktionsgenerator.

Quelle Elektor November 1985
Attachments
85103.jpg
Elektron67
 
Posts: 70
Joined: Sun May 25, 2014 8:12 am

Re: Wobbel-Funktionsgenerator Schaltplan gesucht

Postby tuuice » Tue May 02, 2017 6:17 pm

Hi Elektron67,

vielen Dank für den Schaltplan. Ich habe den mittlerweile auch in dem Elektor Audio-Schaltungsbuch gefunden. Bis auf den Log-Teil im Wobbler läuft der Generator wieder gut. Die Heizung funktioniert, aber es will sich einfach nicht die logarithmische Funktion einstellen. Ich werde es weiter untersuchen und gehe eigentlich in der heutigen Zeit nicht davon aus, dass sich noch jemand mit diskret aufgebauten Generatoren beschäftigt...

Aber nochmals vielen Dank.

Gruß,

Stefan
tuuice
 
Posts: 2
Joined: Tue Apr 18, 2017 6:25 am


Return to Allgemeines Elektronik-Forum

Who is online

Users browsing this forum: No registered users and 1 guest