Bonjour Franky,
Tout d'abord, un mot sur le circuit amplificateur de ce NAD S200 (merci à Francis d'avoir trouvé le manuel service). Entièrement à transistors bipolaires, il est en structure CFA symétrique. Le push-pull est quadruple avec un courant de repos total de 4*8mV*0.22R= 140mA, la polarisation est donc de classe B. L'alimentation des étages précédents est distincte avec une régulation à +/-82V, alors que le push-pull est en +/- 72 à 76V suivant la valeur du secteur.
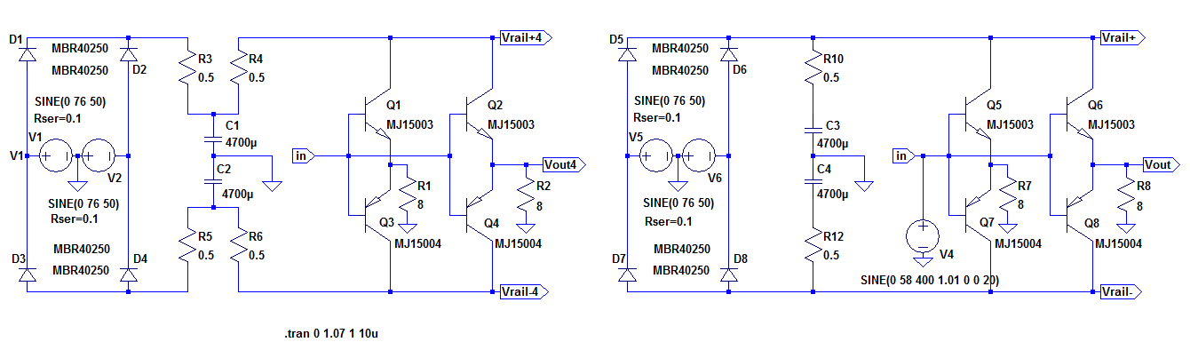
Puis, les alimentations. La régulation aux premiers étages est à zeners (3*27V) et transistors ballast. L'alimentation de puissance part d'un torique impressionnant de chez Toroid mais je n'ai pas trouvé le nombre de VA (il doit approcher les 1000VA et présenter une résistance cuivre très faible). Le pont de diodes est un 25A classique. Puis 8 condensateurs de 4700µF (tan delta=0.2 et Irms=5.2A chacun). Les deux canaux à pleine puissance (2*200W/8R => Irail=4.5A) et on obtient une ondulation maîtrisée de seulement 3% et une solide marge en courant. (rien d'anémique dans tout cela)
En 25 ans, les 2000 heures de fonctionnement sont certainement atteintes et le tan delta a pu doubler, voire tripler. Remplacer les huit 4700µF (puissance) et les quatre 220µF (régulation) va assurément donner un coup de jeune à l'écoute.
4700µF 100V diam. 35mm : Tu évoquais la série SMH de Chemicon, effectivement, très bon choix jusqu'à 6800µF (0.15 ; 6.5A). Il y a aussi chez TDK Epcos la série B41252 jusqu'à 4700µF (0.15 ; 7.7A). (je ne vois ni comment ni pourquoi te faire implanter plus de 8*12000µF)
220µF 160V : chez Panasonic, la série ED.
Quant au filtrage en PI. L'évidence, c'est le CLC avec une petite bobine à air (R<0.1R), mais pas simple à intégrer dans ce S200. Le CRC (R=1R) est fort peu pertinent, sur une stimulation transitoire (ici un burst) on voit des rails d'alimentation qui non seulement s'affaissent davantage mais qui en plus mettent plus de temps à retrouver l'état initial. (en audio, simuler une alimentation sur un débit constant est trompeur)
Quant à la séparation des courants pulsés des courants audio. Sur le tracé supérieur, il faudrait préférer trois courants rouges et un courant fuchsia à quatre courants verts ? Un condensateur de tête qui s'en prend plein la figure pour à peine soulager les suivants ? Je ne le pense pas pour un appareil aussi puissant (sauf s'il était utilisé exclusivement sur des enceintes à HR, mais autant alors choisir un ampli bien moins puissant avec, si nécessaire au bon rapport S/B, un CLC bien calculé).
Bien à toi, Jean-Marc.




