Bonjour à tous, et merci à tout ceux qui ont pris la peine de m'aider en postant sur ce fil,
ça y est! J'ai reçu de beaux totors appariés (merci Francis pour les références et (surtout!

)pour les histoires dO...).
Par contre, pour une fois, j'ai été sage et ai suivi les conseils que Gérard donne par ailleurs en confiant leur montage à un pro. Je voulais qu'il en profite pour faire un "chèqueupe" complet du bébé qui a gaillardement dépassé les 30 ans.
Le bébé est guéri et vagit à nouveau, avec une qualité qui a surpris l'obstétricien, lequel m'en a quand même fait une bonne qui va vous faire rire :
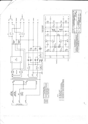
Le D52 est protégé en entrée par un condo de 150 (!!) µF (calculez la coupure avec Zin=30Kohms!), un (horrible) tantale axial qui relie d'origine la CINCH au circuit imprimé. Je m'étais empressé de le découpler en soudant sur ses pattes un polypropylène et un styroflex. L'aspect général n'a pas plu à notre électronicien qui a vu l'ensemble comme un affreux bidouillage (il est sérieux et considère avec un étonnement narquois mon travers pour ce qu'il juge être de la pataélectronique...

) et a tout viré, y compris le condo dorigine, mettant à la place un joli câble blindé, bien isolé!
Je vais donc être obligé de mettre quand même la main à la pâte pour rendre au D52 son condo d'entrée (du coup, je vais mettre un "muse" de 100µF, na!).
Ce D52, je le verrais bien retourner dans ma chaîne "bis" en charge de mes sources video, mais sa sensibilité de 1,1V (contre 0,5V pour le Quad actuellement en poste) va m'obliger à mettre un PA (voir par ailleurs

) car mon DAC Denon DA500 a été amputé de ses étages post-conversion actifs depuis plus de 15 ans...
Quant au Quad, je le verrais bien retrouver ses copines de jeunesse, des Ditton 66, pour me faire un coin nostalgie...
Cordialement,
François.